Background
Your machine axes require power and control signals to work. If either of those are disrupted you can lose any or all of your axes motion. If only one motor is not working go to, One Axis Won't Move (or Only Moves in One Direction), and Other Axes Move - 770MX .
Tools
-
Digital multimeter
-
Metric Allen Keys
-
Small Flat Blade Screw Driver
Reseat the Connectors on the ECM Board and Motors
Reason: Control signals aren't reaching the electronic driver modules/servo motors.
-
Inspect the motor lights.
-
Some motor lights are on: One Axis Won't Move (or Only Moves in One Direction), and Other Axes Move - 770MX .
-
All the motor lights are off: Continue to the next step.
-
-
Power off the machine.
-
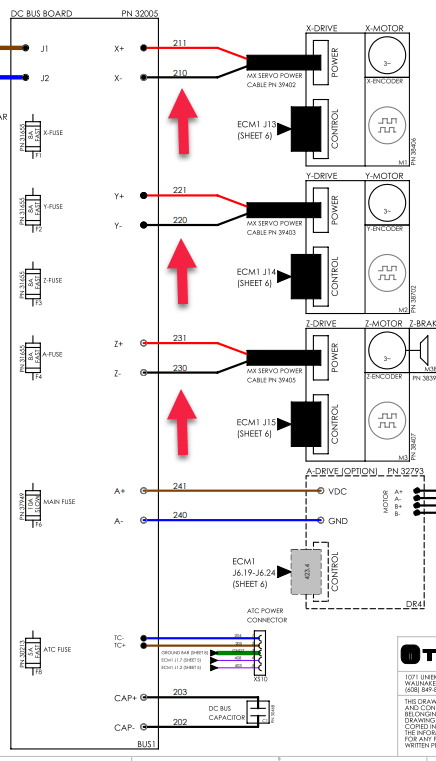
Examine the data cables at the machine control board and the servos removing then re-connecting them to ensure they are seated.
-
Machine control board: Degson style
-
424 (J13) (X-axis)
-
425 (J14) (Y-axis)
-
426 (J15) (Z-axis)
-
-
Servos: Molex style
-


-
Examine the power cables at the DC-BUS and the servos removing then re-connecting them to ensure they are seated.
-
DC-Bus: Spade connector
-
210/211 (X-axis)
-
220/221 (Y-axis)
-
230/231 (Z-axis)
-
-
Servos: Molex style
-


-
Continue to the next troubleshooting topic.
Inspect the DC-BUS Board
Reason: The DC-BUS is malfunctioning.
-
Inspect the DC-BUS for power by determining if the green power light is illuminated.
-
If it does: The motors will be illuminated.
-
If it doesn’t: Continue to the next step.
-
-
Power off the machine.
-
Measure the resistance across the F6 fuse with digital multimeter set to resistance.
-
Replace the fuse if the digital multimeter reads OL, shows a resistance in the MΩ, and/or doesn’t produce continuity tone.
-
If the fuse measures 0-5 Ω, reinstall it into the DC-BUS.
-
-
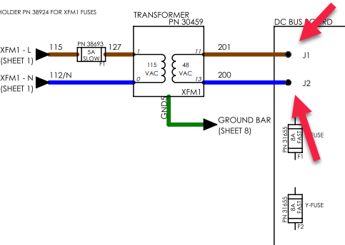
Power on the machine and measure the Vac entering the DC-BUS on:
-
200 (J2)
-
201 (J1)
-

-
Continue to the next troubleshooting topic.
Inspect the XMF1 Transformer
Reason: The fuse(s) have blown.
-
Power off the machine.
-
Remove and measure the resistance across the F1 then F2 fuses with digital multimeter set to resistance.
-
Replace the fuses if the digital multimeter reads OL, shows a resistance in the MΩ, and/or doesn’t produce continuity tone.
-
If the fuses measures 0-5 Ω reinstall them.
-

-
Continue to the next troubleshooting topic.
Check the K1/C1 Contactor
Reason: The K1/C1 is defective.
-
Power on the machine and take it out of reset.
-
Inspect the K1 for an illuminated red let that indicates it has power.
-
If the light is on: The K1 is latched. Using a digital multimeter set to Vac, measure for 120 Vac between:
-
112N
-
115
-
-

-
Press and hold the Reset button on the operator box and observe the K1 LED. Then release the Reset button and observe the K1 LED.
-
If the light only stays on when the button is pressed: There is a loose coil wire, short, or the K1 has malfunctioned.
-
If the light never comes on: See Machine Won't Power On - 770MX
-