|
Description |
Quantity |
|
|---|---|---|
|
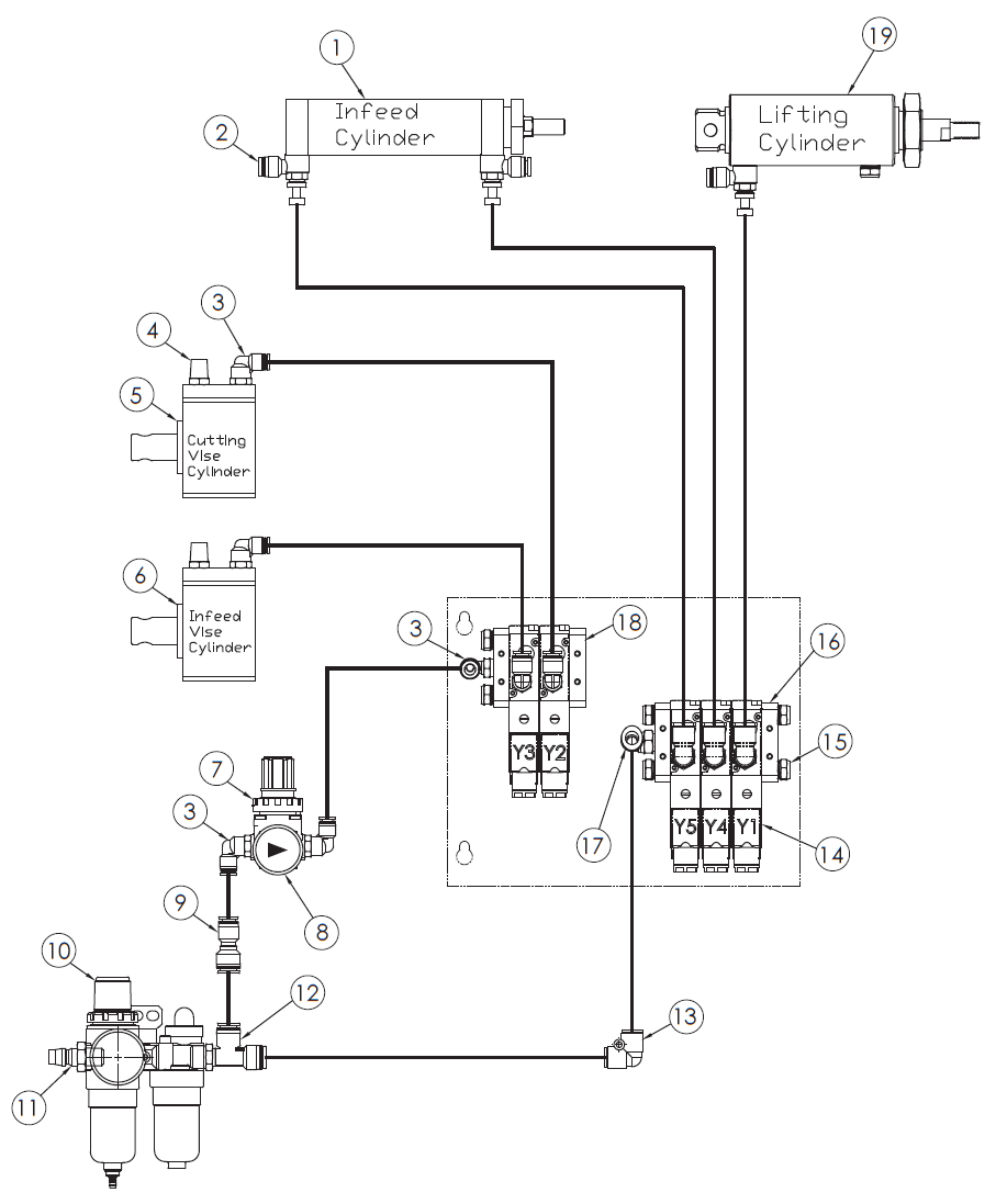
1 |
Infeed Cylinder |
1 |
|
2 |
Speed Controller |
3 |
|
3 |
Male Elbow |
6 |
|
4 |
Silencer |
2 |
|
5 |
Compact Cylinder |
1 |
|
6 |
Compact Cylinder |
1 |
|
7 |
Pressure Regulator |
1 |
|
8 |
Pressure Gauge |
2 |
|
9 |
Fitting |
1 |
|
10 |
Regulator |
1 |
|
11 |
Fitting |
1 |
|
12 |
Fitting |
1 |
|
13 |
Fitting |
1 |
|
14 |
Solenoid Valve |
5 |
|
15 |
Silencer |
7 |
|
16 |
Manifold |
1 |
|
17 |
Fitting |
4 |
|
18 |
Manifold |
1 |
|
19 |
Lifting Cylinder |
1 |