Background
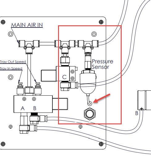
The pressure switch is a normally closed (low air pressure) switch that connects via a 3.5 mm jack into the back of the mounting plate on Legacy ATC’s. On the M style tool changers, they are located on the underside of the ATC electrical box, and are connected with two wire leads directly to the ATC board. When the switch has above 90 PSI it opens. The ATC control board looks for this open signal to indicate there is adequate air pressure.


Disconnect and/or Replace the Sensor
Reason: The air pressure sensor is faulty.
-
Disconnect the 3.5 mm jack or remove the two wire leads from the ATC board, which opens the circuit and allows the machine to run.
Recalibrate the Sensor
Reason: The air pressure sensor needs to be calibrated.
-
There is an adjustment screw under the rubber boot in the back of the machine for the pressure sensor. Set your regulator at the lowest pressure your air system provides and turn the screw until the “Air Pressure” LED on the status tab turns green. Inward should set it to a higher pressure and outward should set it to a lower pressure. (Newer sensors have a 3mm hex bolt, instead of the flat blade)

Replace the Sensor
Reason: There is a short in the circuit.
-
Find and repair the short.
-