ATC Board Not Powering Up - 24R
Background
If there are no lights or function from your ATC board, these steps below will help you troubleshoot and find a solution.
Check wire orientation on the J1 connector of the ATC board (only if installing for the first time)
Reason: Pre-installed connector wired wrong
If you are installing the ATC for the first time, and you see no power LED indicator lights illuminated, the first and easiest step will be to check the wire orientation.

Look for the indicator mark on the PCB, indicating where Pin 1 should be located.
If a wiring issue is identified, power off the machine and adjust the wire positions. If there is no activity seen from the ATC board, continue on in your troubleshooting.
Check for 24V DC between J1-1 and J1-4
Reason: 24V not being delivered to board, or short is present
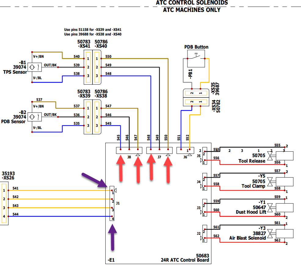
Referencing the image below, you can take a DC voltage reading between J1-1 (541) and J1-4 (544). (Purple arrows)
You can also check for voltage on the voltage outputs, J7-1 (550) to J7-3 (548), as well as J8-1 (547) to J8-3 (545). (Red arrows)

If you do not read 24V between J1-1 and J1-4 while connected to the board, power off, and remove the J1 connector. Power back up and check between 541-544. If you now read 24V DC, continue on to the next step. If you still do not read voltage, jump ahead to “Checking 24V Supply”.
Remove all connections except J1 from ATC board
Reason: Short is present on board
With J2, J3, J4, J5, J6, J7, and J8 all removed, plug in J1 and power up the machine. If the PWR light does not illuminate, and you do not have output voltage present between J7-1 and J7-3, as well as J8-1 and J8-3, the board will likely need to be replaced.
Contact Tormach Technical Support.
If your board boots up with only the J1 power input plugged in, plug in one connector at a time, and check for function. If the board does not lose power with the first additional connector installed, remove the additional connector before plugging in the next connector. J1 and only one additional connector should be plugged in during this step. If the board again loses power with the additional connector installed, inspect the wiring and component for any visible damage. If no damage is visible it may still be necessary to replace the component.
Contact Tormach Technical Support about potential replacement parts needed.
Checking 24V Supply
Reason: 24V not being delivered all the way to your board
Check the quick-connection Weipu for proper seating. Pins 1 and 2 should measure 24V dc.

If voltage is not present, the 24V supply should be inspected. For information on this check, visit Machine Won't Power On - 24R.