PCNC 440 Knowledge Base
Breadcrumbs

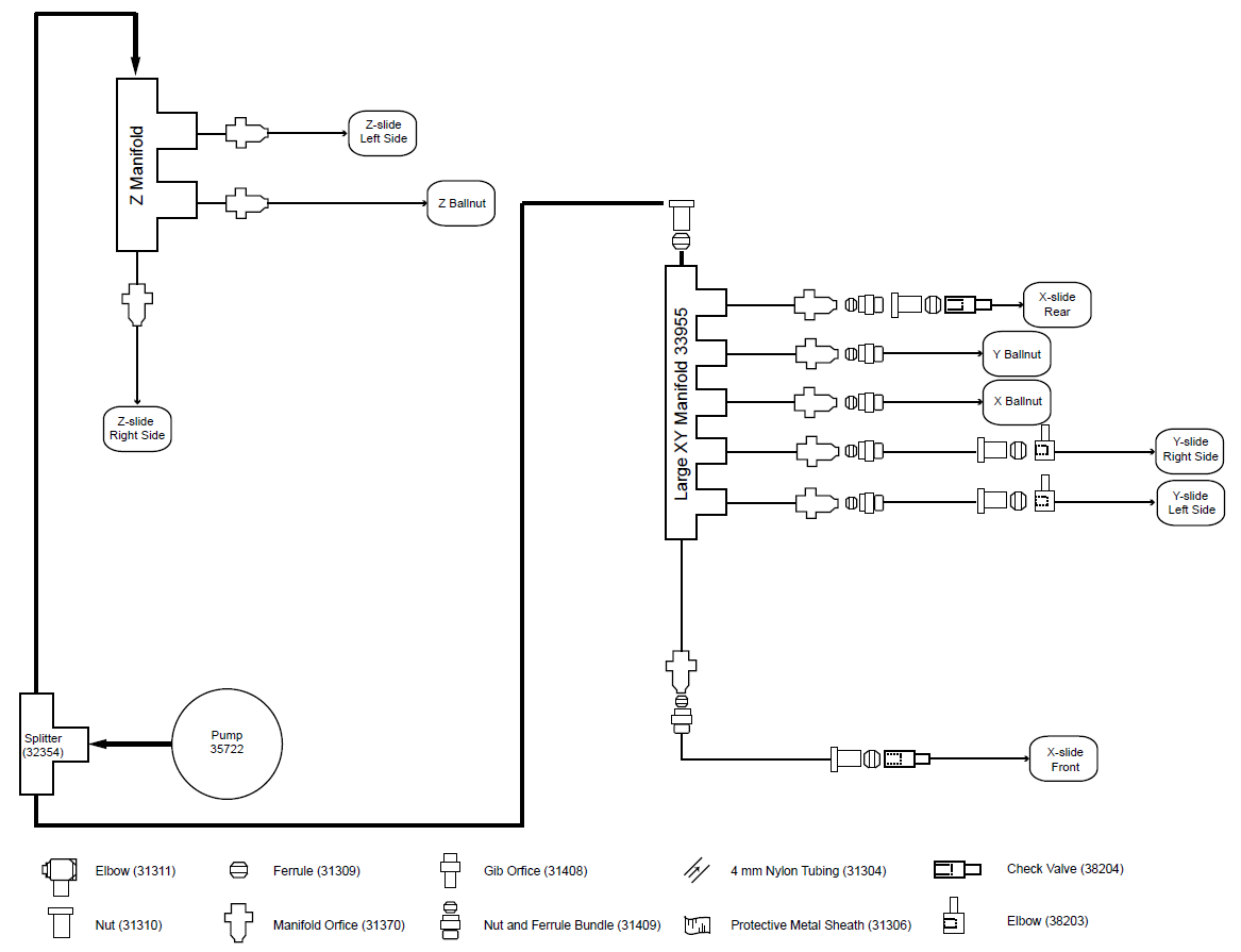
Lubrication System - PCNC 440

image-20260212-205657.png

To order part numbers not listed on http://Tormach.com, email orders@tormach.com!