Skip to main content
24R Knowledge Base
Open a Support Ticket
Forums
Tormach YouTube
Tech Support YouTube
Tormach.com
Main navigation
24R Knowledge Base
Close navigation
Main
Open a Support Ticket
Forums
Tormach YouTube
Tech Support YouTube
Tormach.com
Main
About Your Machine
Safety
Machine Specifications
Machine Kinematics
Site Requirements
Installation
Before You Begin
Unpack and Level the Machine
Install the PathPilot Controller
Make Water Chiller Connections
Verify the Installation
Set Up the PathPilot Controller
Accessory Installation
ATC
ATC Installation Video - 24R
ATC Installation Manual - 24R
Operator Console
Operator Console Installation Video - 24R
Operator Console Installation Manual - 24R
24R Z-Axis Brake Retrofit Kit
24R Z-Axis Brake Retrofit Kit Installation Manual
24R 24 Vdc Power Supply
24 Vdc Power Supply for 24R Router Installation Manual
Touch Screen
Touch Screen Installation Video
Touch Screen Installation Manual
Maintenance
Machine Maintenance - 24R
24R Maintenance
Operation and Programming
Machine Operation
System Basics - 24R
PathPilot Interface Overview - 24R
PathPilot Tools and Features - 24R
Basic Operations - 24R
Changing Machine Configuration
Generating a Log Data File in PathPilot
Your First Day with Tormach's PathPilot
Creeping Up on a Part
Finding G-Code from the MDI Line
On-the-Fly Math for Feed Rates
PathPilot Spindle Warm Up Program
Setting Up WiFi and Software Updates
Windows 10 Network Setup and G-Code Share
Cutting a Wall Clock on a Tormach 24R Router
PathPilot Programming
Programming - 24R
Troubleshooting
Controller and Console Troubleshooting
Controller Won't Power On - 24R
Controller Monitor (Standard and Touch Screen) Doesn't Work
Operator Console Troubleshooting
No Ethernet Link Detected Troubleshooting - 24R
Restore PathPilot to Factory Settings
General Electrical Troubleshooting
Checking a Fuse on a Tormach Machine
Machine Won't Power On - 24R
Motion System Troubleshooting
Limit Switch/Prox Sensor Troubleshooting - 24R
Lost Motion - 24R
Axis Movement is Noisy - 24R
One Axis Won't Move (or Only Moves in One Direction), and Other Axes Move - 24R
Can't Reference All Axes - 24R
All Axes Won't Move When Commanded - 24R
ATC Troubleshooting
ATC Board Not Powering Up - 24R
Spindle Troubleshooting
My Spindle Won't Turn - 24R
Troubleshooting the TPS and PDB Sensors - 24R ATC Spindle
Drawings
Spoilboard Bolt Pattern
T-Slot Layout and Dimensions
Vertical Fixturing Hole Pattern
ETS Placement Layout
Electrical Schematics
115 Vac Power - 24R
24 Vdc Controls - 24R
Spindle Drive - 24R
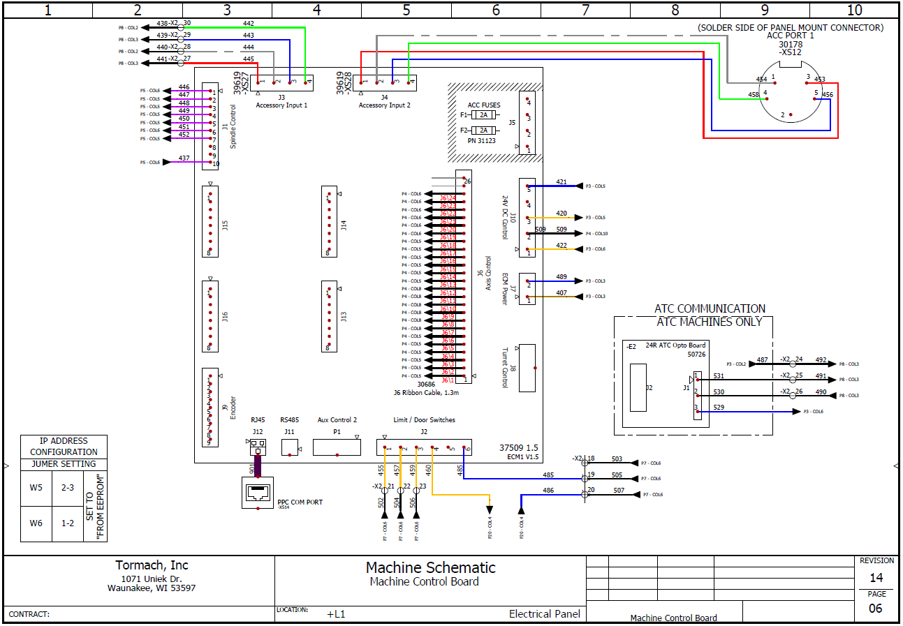
Machine Control Board - 24R
Limit Switches - 24R
Accessory and Auxiliary Power - 24R
Chiller Alarm - 24R
Grounds - 24R
Terminal Strips - 24R
X1: AC Terminal Strip - 24R (Sheet 11)
X2: Control Terminal Strip - 24R (Sheet 12)
X2: Control Terminal Strip - 24R (Sheet 13)
X2: Control Terminal Strip - 24R (Sheet 14)
X3: Ground Terminal Strip - 24R (Sheet 15)
X24: ATC Terminal Strip - 24R (Sheet 16)
Wiring Table - 24R
Electrical Cabinet Layout - 24R
Operator Console - 24R
Diagrams and Parts Lists
Machine Overview - 24R
Base- 24R
Gantry - 24R
Stand - 24R
X-Axis Carriage - 24R
Z-Axis Spindle Head - 24R
Dust Shoe Assembly, 80 mm Clamp - 24R
Base Spindle Waterlines - 24R
Automatic Tool Changer Diagrams and Parts Lists
Dust Shoe Assembly, 80 mm, ATC Compatible
ATC Solenoid Control Panel Assembly - 24R
ATC Rack Assembly - 24R
ATC Spindle Pneumatics and Waterlines
Breadcrumbs
Home
24R Knowledge Base
Electrical Schematics
On this Page
Machine Control Board - 24R