8L Knowledge Base

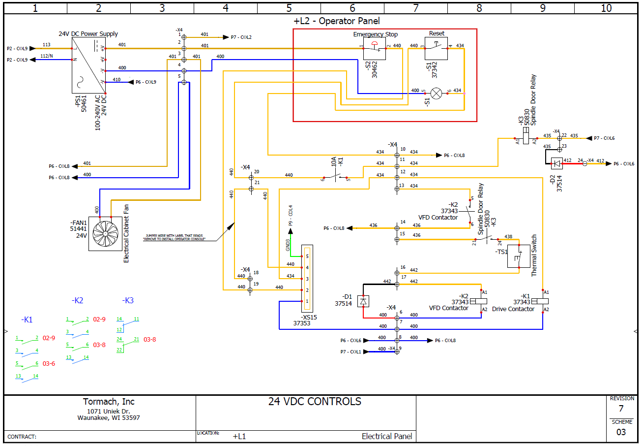
24 Vdc Controls - 8L (LA10506+)

image-20260326-184045.png

If your serial number is 10505 or lower, refer to Tormach document TD10829.