Background
The coolant systems are controlled with the following G-code (M-code) commands:
-
M07
(mist) -
M08
(flood) -
M09
(deactivate all coolant)
When PathPilot identifies those commands it causes a component on the control board to power, or remove power, to the coolant pump.
Tools
-
Digital multimeter
-
Screw Driver
-
Box Wrench or Crescent Wrench
Reseat the coolant pump power cord
Reason: The coolant pump isn't plugged in to an outlet.
-
Unplug and reseat the coolant pump power cord.
Inspect the coolant pump strapping
Reason: The coolant pump isn't strapped for your machine power.
Open the box on the side of your pump. Check the strapping compared to the diagram on your pump.


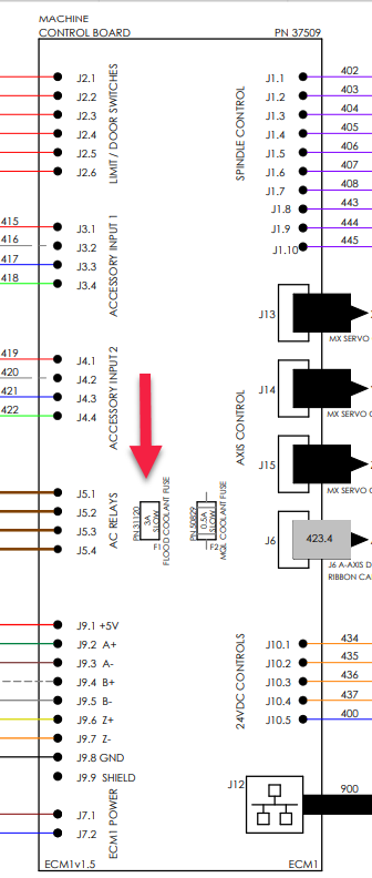
Inspect fuse F1 on the machine control board
Reason: Fuse F1 on the machine control board is blown.
-
Power off the machine.
-
Locate and remove the F1 fuse from the machine control board.
-
Measure the resistance across the fuse with digital multimeter set to resistance.
-
Replace the fuse if the digital multimeter reads OL, shows a resistance in the MΩ, and/or doesn’t produce continuity tone.
-
If the fuse measure 0-5 Ω, reinstall it into the machine control board.
-

If the coolant pump shorts, the 3 A, slow-blow, F1 flood coolant fuse on the ECM1 control board blows before CB3 trips.
Inspect the coolant pump
Reason: The coolant pump is damaged.
-
Unplug the coolant pump power cord from the machine and examine it for damage.
-
Test the coolant pump by:
-
If possible, plug it into a known good outlet to see if it turns on.
-
Use a digital multimeter to verify the motor’s resistances from winding-to-winding and winding-to-ground. If any winding-to-winding resistance measurement is a short (near zero resistance), an open circuit, or if the winding-to-ground resistance is a short, the coolant pump must be replaced.
-
Inspect the machine control board
Reason: The coolant control relay on the machine control board failed.
-
From the PathPilot interface, toggle the Coolant button to On.
-
Examine the coolant receptacle for power. If there's no power, and fuse F1 has continuity, it's likely that the K3 relay failed.
-
Power off the machine. Then, install a short jumper between wires J5-1 (wire 109) and J5-2 (wire 125) on the machine control board.
-
Power on the machine. If the pump runs when the machine is powered on, then replace the machine control board.
This relay will fail if too high of a current draw passes through it. This is common when electrical loads much larger than the coolant pump are plugged into the coolant outlet.