Background
Your machine axes require power and control signals to work. If either of those are disrupted you can lose any or all of your axes motion. If only one motor is not working go to, One Axis Won't Move (or Only Moves in One Direction), and Other Axes Move - 15L.
Tools
-
Digital multimeter
-
Metric Allen Keys
-
Small Flat Blade Screw Driver
Reseat the connectors on the machine control board and motors
Reason: Control signals aren't reaching the electronic driver modules/servo motors.
-
Inspect the stepper driver controller lights.
-
Some controller lights are on: One Axis Won't Move (or Only Moves in One Direction), and Other Axes Move - 15L.
-
All the controller lights are off: Continue to the next step.
-
-
Power off the machine.
-
Examine the data cable at the machine control board and the axes drivers.
-
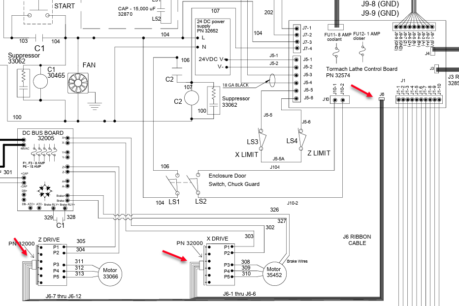
Machine control board: J6 (16 pin IDC ribbon cable)
-
Stepper driver controllers: 10 pin IDC (ribbon cable)
-
J6-1 - J6-6 (X Axis)
-
J6-7 - J6-12 (Z Axis)
-
-


-
Examine the power and control cables at the DC-BUS and the stepper driver controllers removing, inspecting, and re-connecting them to ensure they are seated.
-
DC-Bus/Stepper diver controllers: Spade connectors/Degson style
-
302/303 (X-axis)
-
304/305 (Z-axis)
-
-


-
If there is any discoloration, replace the cable and driver.
-
Continue to the next troubleshooting topic.
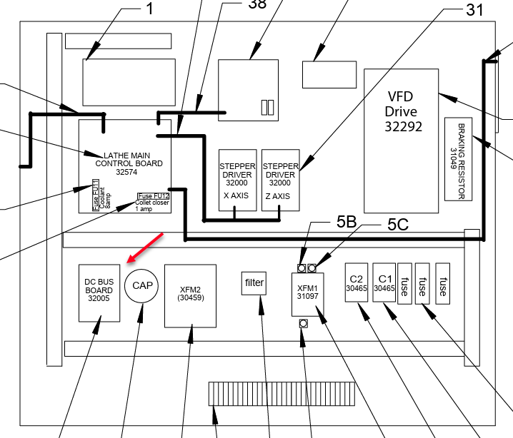
Inspect the DC-BUS board
Reason: The DC-BUS is malfunctioning.
-
Inspect the DC-BUS for power by determining if the green power light is illuminated.
-
If it does: The motors or stepper driver controllers will be illuminated, if the DC Bus Axis Fuses are not blown. To learn how to check individual fuses, see: One Axis Won't Move (or Only Moves in One Direction), and Other Axes Move - 15L
-
If it doesn’t: Continue to the next step.
-
-
Power off the machine.
-
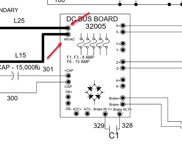
Measure the resistance across the F6 fuse with digital multimeter set to resistance.
-
Replace the fuse if the digital multimeter reads OL, shows a resistance in the MΩ, and/or doesn’t produce continuity tone.
-
If the fuse measures 0-5 Ω, reinstall it into the DC-BUS.
-
-
Power on the machine and measure the Vac entering the DC-BUS on:
-
L15 (J2)
-
L25 (J1)
-

-
Continue to the next troubleshooting topic.
Inspect the XMF2 Transformer
Reason: The transformer is shorted
-
Power off the machine.
-
Remove L25 and L15 from the transformer.


-
Power the machine back on.
-
Take an AC reading between the terminals L25 and L15 were on.
-
If you do not see 48 Vac, continue to the next troubleshooting step.
Check the C1 Contactor
Reason: The C1 is defective.
-
Power on the machine and take it out of reset.
-
Inspect the C1 to see if the center bar has been pulled in.
-
If bar is in: The C1 is latched. Using a digital multimeter set to Vac, measure for 220 Vac between:
-
L14
-
L24
-
-


-
Press and hold the Reset button on the operator box and observe the C1. Then release the Reset button and observe the C1.
-
If the bar only stays in when the button is pressed: There is a loose coil wire, short, or the C1 has malfunctioned.
-
If the bar never gets pulled in: See Machine Won't Power On - 15L.
-