Background
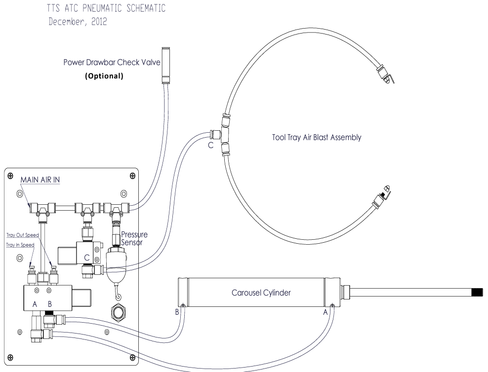
Port A on the tray piston is normally pressurized and during a tray in command the solenoid will energize pressurizing B and allowing A to vent.
The piston is magnetized to work with the Tray In sensor and has an o-ring that to separate the tray in (side B) and out (side A) of the piston.

Piston is Moving Too Fast or Too Slow
-
Test to see if the o-ring as failed and is letting air bypass by removing the B air line and listening for a leak. You can also repeat this test when the tray is in and the A line is removed.
-
The tray solenoid valve has adjustment screws on the exhaust filters. These can be adjusted to control the tray in and tray out speeds.

Piston Cushion (End of Travel) is Too Hard or Soft
-
Air cushion pin valves at either end of the air cylinder can be adjusted to control damping at extreme ends of cylinder travel.
