Skip to main content
1100MX Knowledge Base
Open a Support Ticket
Forums
Tormach YouTube
Tech Support YouTube
Tormach.com
Main navigation
1100MX Knowledge Base
Close navigation
Main
1300PL Knowledge Base
About Your Machine
Safety
Machine Specifications
Machine Kinematics (Max Feed, Travel Limits, Accelerations)
Site Requirements
Installation
Before You Begin
Unpack and Remove Frame From Crate
Level the Machine Frame and Water Table
Side Panel, Carrier, and Cable Guard Install
Install Plasma Torch and Lead
Make Electrical Connections and Install Machine Arm and Controller
Fill Water Table
Verify the Installation
Set Torch Home Position (G30)
Calibrate Initial Height Sensing
Set Up the PathPilot Controller
Touch Screen
Touch Screen Installation Video
Touch Screen Installation Manual
Maintenance
Machine Maintenance
1300PL Machine Maintenance
1300PL Table Slat Replacement
Machine Paint Color Codes
Operation and Programming
Machine Operation
System Basics - 1300PL
PathPilot Interface Overview - 1300PL
PathPilot Tools and Features - 1300PL
Basic Operations - 1300PL
1300PL Ohmic Touch vs Micro Switch Touch Off
Generating a Log Data File in PathPilot
Finding G-Code from the MDI Line
Setting Up WiFi and Software Updates
Windows 10 Network Setup and G-Code Share
PathPilot Settings Backup
Setting Start Line in the Middle of Program
Setting G30
PathPilot Programming
Programming - 1300PL
Plasma Kerf Compensation with DXF Import
PathPilot Post Processor Guidelines
Macro Programming
G64/M59 Guide
Work Coordinate Rotation with G10 L2 in PathPilot
Troubleshooting
Controller Troubleshooting
Controller Monitor (Standard and Touch Screen) Doesn't Work
Controller Won't Power On - 1300PL
Restore PathPilot to Factory Settings
Motion System Troubleshooting
All Axes Won't Move When Commanded - 1300PL
One Axis Won't Move (or Only Moves in One Direction), and Other Axes Move - 1300PL
Servos Fault on Fast Direction Changes
Adjust Belt Tension
Adjust Rack and Pinion Preload
Z-Axis Limit Switch Harness Replacement
Can't Reference All Axes
Plasma Torch Control Troubleshooting
Plasma Torch is Diving into Material
Probe Tripped During a Commanded Move
Ohmic Probe Doesn't Trigger
Torch Pierces Too High
No Voltage Reading in PathPilot
Torch Cuts Too High
Torch Drags on the Material when Cutting
Ohmic Probe Triggers Early or Between Cuts
The Torch Bends the Workpiece During Touch-off
Torch Shuts Off During Cut
General Electrical Troubleshooting
Checking a Fuse on a Tormach Machine
Machine Won't Power On - 1300PL
Welcome to the PCNC 440 Knowledge Base!
About Your Machine
Safety
Machine Specifications
T-Slot Spacing on Tormach Mills
PCNC 440 Torque Curves
Machine Kinematics (Max Feed, Travel Limits, Accelerations)
Site Requirements
Installation
Before You Begin
Unpack the Machine Crate and Mount the Machine
Install the Monitor and the PathPilot Controller
Set Up the PathPilot Controller
Verify the Installation
Leveling and Squaring Your Mill
Accessory Installation
Machine Stand - PCNC 440
Enclosure - PCNC 440
PCNC 440 Power Drawbar
Power Drawbar Installation Manual - PCNC 440
Flood Coolant Kit - PCNC 440
Door Switch Kit - PCNC 440
ATC
ATC Installation Manual - PCNC 440
Tool Change Scenarios
microARC 4
microARC 4 Installation Video
microARC Installation Manaual
Simultaneous 4 Axis Machining in Fusion 360 with the Tormach microARC 4!
Machining a Turbine Disk on Tormach 1100MX + 4th Axis microARC
SmartCool
SmartCool Installation Manual
FogBuster
USB I/O
Touch Screen
Touch Screen Installation Manual
Touch Screen Installation Video
Vise
Basic Steps to Square a Vise
Power Drawbar Foot Pedal
Maintenance
Machine Maintenance
PCNC 440 Maintenance
Machine Paint Color Codes
PCNC Oil Line Flush
Accessory Maintenance
ATC Maintenance
General Tips and Maintenance for the Automatic Tool Changer (ATC)
Flood Coolant Maintenance
Tormach Oil Skimmer - Easy Coolant Tank Maintenance
Power Drawbar Maintenance
Power Drawbar Maintenance - PCNC 440
microARC 4 Maintenance
Operation and Programming
Machine Operation
System Basics - PCNC 440
PathPilot Interface Overview - PCNC 440
PathPilot Tools and Features - PCNC 440
Basic Operations - PCNC 440
Setting G30
Tormach Probing Routines
Setting Up Work and Tool Offsets On Tormach Mills
Tweaking Your Work Offsets
Changing Machine Configuration
Setting Start Line in the Middle of Program
Windows 10 Network Setup and G-Code Share
PathPilot Settings Backup
PathPilot Spindle Warm Up Program
Setting Up WiFi and Software Updates
On-the-Fly Math for Feed Rates
Finding G-Code from the MDI Line
Creeping Up on a Part
Cutting Your First Part on a Tormach Mill
Your First Day with Tormach's PathPilot
Generating a Log Data File in PathPilot
How to Cut Holes with CNC
Engraving Comparison on Three Tormach CNC Mills: PCNC 440, 1100MX, and 1500MX
Probe & ETS Setup
Tormach 440 Cutting 4140
PathPilot Programming
Programming - PCNC 440
G28 Command
Work Coordinate Rotation with G10 L2 in PathPilot
CAM Driven Probing
G64/M59 Guide
Macro Programming
Conversational Drill and Tap
PathPilot Post Processor Guidelines
Conversational Programming in Tormach's PathPilot
Troubleshooting
Spindle Troubleshooting
Spindle Tram Adjustment - PCNC 440
Spindle Won't Turn - PCNC 440
BLDC Check (Battery Test) - PCNC 440
Changing Spindle Belt Range
Preventing Collet Slip
Chatter
ATC Troubleshooting
Tray-In Sensor Fault PCNC 440 M-Style ATC
Pneumatic Seal Replacement for Leaking Drawbars
Check Fuses and Cabling Error - PCNC 440
Legacy ATC Alignment and Troubleshooting - PCNC 440
Low Air Pressure or Malfunctioning Air Pressure Switch - PCNC 440
v2.x ATC Control Board Kit for PCNC 440 Mills
ATC No VFD Running Signal From VFD (BLDC) - PCNC 440
Getting Out of an ATC Jam
Controller Troubleshooting
Controller Won't Power On - PCNC 440
Controller is Beeping on Boot Up - Tower Controller
Controller Monitor (Standard and Touch Screen) Doesn't Work
Restore PathPilot to Factory Settings
DB25 Cable J4 and J10(440) Pinout
Motion System Troubleshooting
All Axes Won't Move When Commanded - PCNC 440
One Axis Won't Move (or Only Moves in One Direction), and Other Axes Move
Can't Reference All Axes - PCNC 440
PCNC 440 Y-Axis Ball Screw Replacement
PCNC 440 X-Axis Ball Screw Replacement
Lost Motion Testing and Gib/ACB Adjustment - PCNC 440
General Electrical Troubleshooting
Checking a Fuse on a Tormach Machine
PCNC 440 Estop Troubleshooting
Accessory Troubleshooting
microARC 4 Troubleshooting
microARC 4 Repair
Flood Coolant Troubleshooting
Coolant Pump Won't Run
Welcome to the 1100MX Knowledge Base!
About Your Machine
Safety
Machine Specifications
T-Slot Spacing on Tormach Mills
Machine Kinematics (Max Feed, Travel Limits, Accelerations)
1100MX Torque Curves
Site Requirements
Moving a 1100 (PCNC or M/MX) Through a Doorway (Door Dance)
Installation
Before You Begin
Assemble the Machine Stand
Unpack and Mount the Machine
PathPilot Controller
Set Up the PathPilot Controller
Manual Oiler
Filter-Regulator-Lubricator (FRL)
Verify the Installation
Leveling and Squaring Your Mill
Chip Pans
Enclosure
Accessory Installation
ATC
ATC Installation Manual - 1100MX
Tool Change Scenarios
microARC 4
microARC 4 Installation Manual
Simultaneous 4 Axis Machining in Fusion 360 with the Tormach microARC 4!
Machining a Turbine Disk on Tormach 1100MX + 4th Axis microARC
4th Axis CNC Milling Non-Cylindrical Parts Using Rotary Toolpath in Fusion 360
6 and 8 in. 4th Axis
4th Axis Installation Manual
How to Setup a 4th Axis: 4-Jaw Chuck
How to Setup a 4th Axis
RapidTurn
RapidTurn Installation
CNC Machining a Chess Rook With A Tormach RapidTurn
Operator Console
Operator Console Installation Video - 1100MX
Operator Console Installation Manual - 1100MX
SmartCool
SmartCool Installation Manual
Fogbuster
USB I/O
Flood Coolant
Flood Coolant Kit
Automatic Oiler
Door Lock Switch Kit - 1100M/MX
Touch Screen
Touch Screen Installation Video
Touch Screen Installation Manual
Vise
Basic Steps to Square a Vise
ETS - Electronic Tool Setter
Power Drawbar Foot Pedal
Maintenance
Machine Maintenance
1100MX Maintenance
Machine Paint Color Codes
Accessory Maintenance
ATC Maintenance
General Tips and Maintenance for the Automatic Tool Changer (ATC)
6 and 8 in. 4th Axis Maintenance
Rotary Table Milling Machine Maintenance
microARC 4 Maintenance
microARC Maintenance
Flood Coolant Maintenance
Tormach Oil Skimmer - Easy Coolant Tank Maintenance
Replacement Mesh for Chip Basket Screen
Operation and Programming
Machine Operation
System Basics - 1100MX
PathPilot Interface Overview - 1100MX
PathPilot Tools and Features - 1100MX
Basic Operations - 1100MX
Changing Spindle Belt Range
Probe & ETS Setup
Changing Machine Configuration
Generating a Log Data File in PathPilot
Your First Day with Tormach's PathPilot
Cutting Your First Part on a Tormach Mill
Creeping Up on a Part
Finding G-Code from the MDI Line
On-the-Fly Math for Feed Rates
PathPilot Spindle Warm Up Program
Setting Up WiFi and Software Updates
Windows 10 Network Setup and G-Code Share
PathPilot Settings Backup
Tweaking Your Work Offsets
Setting Up Work and Tool Offsets On Tormach Mills
Tormach Probing Routines
Setting Start Line in the Middle of Program
Setting G30
How to Cut Holes with CNC
Engraving Comparison on Three Tormach CNC Mills: PCNC 440, 1100MX, and 1500MX
PathPilot Programming
Programming - 1100MX
PathPilot Post Processor Guidelines
Macro Programming
Conversational Programming in Tormach's PathPilot
Conversational Drill and Tap
G64/M59 Guide
G28 Command
CAM Driven Probing
Work Coordinate Rotation with G10 L2 in PathPilot
Troubleshooting
Spindle Troubleshooting
1100M/MX Spindle Will Not Turn
Spindle Orient or at Speed Fails - 1100MX
Spindle Tram Adjustment
Chatter
ATC Troubleshooting
Device Homing Error
Tray-In Sensor Fault
Low Air Pressure or Malfunctioning Air Pressure Switch
BT30 Drawbar Adjustments for Better Tooling Removal
Manual Tool Change with Dead ATC Board - 1100MX
Pneumatic Seal Replacement for Leaking Drawbars
Check Fuses and Cabling Error
Getting Out of an ATC Jam
Controller and Console Troubleshooting
Controller Won't Power On - 1100MX
Controller Monitor (Standard and Touch Screen) Doesn't Work
Operator Console Troubleshooting
No Ethernet Link Detected Troubleshooting - 1100MX
Restore PathPilot to Factory Settings
Motion System Troubleshooting
One Axis Won't Move (or Only Moves in One Direction), and Other Axes Move - 1100MX
Mill Gib/AC Bearing Adjustment and Backlash Compensation - 1100MX
All Axes Won't Move When Commanded - 1100MX
Ballscrew Replacement
Axis Movement is Noisy - 1100MX
Lost Motion Testing - 1100MX
General Electrical Troubleshooting
Checking a Fuse on a Tormach Machine
Machine Won't Power On - 1100MX
Accessory Troubleshooting
Automatic Oiler Troubleshooting
Unlock and Reprogram Auto Oiler
microARC 4 Troubleshooting
microARC 4 Repair
6 and 8 in. 4th Axis Troubleshooting
4th Axis Backlash Adjustment
RapidTurn Troubleshooting
RapidTurn Motor Spinning the Wrong Direction
RapidTurn Speed Sensor Adjustment
Flood Coolant Troubleshooting
Coolant Pump Won't Run
Diagrams and Parts Lists
Base Machine - 1100MX
Spindle Cartridge - 1100MX
Power Drawbar Push Button - 1100MX
Spindle Motor Cover - 1100MX
X-Axis Assembly - 1100MX
Y-Axis Assembly - 1100MX
Y-Axis Saddle - 1100MX
X-Y Axis Assembly - 1100MX
Z-Axis Assembly - 1100MX
Enclosure - 1100MX
Lubrication/Oil System Diagram - 1100MX
Stand - 1100MX
Pneumatic and Electrical Schematics
Power Drawbar Pneumatics - 1100MX
230 VAC Power - 1100MX
24 VDC Controls - 1100MX
Axis Drive Bus - 1100MX
Spindle Drive - 1100MX
Machine Control Board - 1100MX
Limit/Door Switches - 1100MX
Accessory and Auxiliary Power - 1100MX
Grounds - 1100MX
Electrical Panel Layout and Fuse Table - 1100MX
Operator Box Layout - 1100MX
Wiring Table - 1100MX
Operator Console - 110MX
Automatic Tool Changer (ATC) Pneumatics - 1100MX
Automatic Tool Changer (ATC) Electrical - 1100MX
Welcome to the PCNC 1100 Knowledge Base!
About Your Machine
Safety
Machine Specifications (Series 3)
T-Slot Spacing on Tormach Mills
Machine Kinematics (Max Feed, Travel Limits, Accelerations)
Site Planning and Prep
Moving a 1100 (PCNC or M/MX) Through a Doorway (Door Dance)
Installation
Receiving, Uncrating, and Initial Inspection
Unpack and Mount the Machine
Install PathPilot Controller
Essential Controls Overview
Power Off/Power On Procedure
Validate Basic Installation
Controller Customization
Leveling and Squaring Your Mill
Accessory Installation
Deluxe Stand - PCNC 1100
Power Drawbar - PCNC 1100
ATC
10 Pocket Legacy ATC Installation Manual - PCNC 1100
12 Pocket M-Style ATC Installation Manual - PCNC 1100
Tool Change Scenarios
Enclosure - PCNC 1100
Enclosure Switch Kit - PCNC 1100
microARC 4
microARC 4 Installation Manaual
Simultaneous 4 Axis Machining in Fusion 360 with the Tormach microARC 4!
Machining a Turbine Disk on Tormach 1100MX + 4th Axis microARC
4th Axis CNC Milling Non-Cylindrical Parts Using Rotary Toolpath in Fusion 360
SmartCool
SmartCool Installation Manual
FogBuster
USB I/O
Touch Screen
Touch Screen Installation Manual
Touch Screen Installation Video
Vise
Basic Steps to Square a Vise
ETS - Electronic Tool Setter
Automatic Oiler
RapidTurn
RapidTurn Installation
CNC Machine a Chess Rook With a Tormach RapidTurn
Power Drawbar Foot Pedal
6 and 8 in. 4th Axis
6 and 8 in. 4th Axis for PCNC 770/1100
How to Setup a 4th Axis: 4-Jaw Chuck
How to Setup a 4th Axis
Maintenance
Machine Maintenance
PCNC 1100 Maintenance
Machine Paint Color Codes
Flushing the Lubrication System
Accessory Maintenance
6 and 8 in. 4th Axis Maintenance
Rotary Table Milling Machine Maintenance
microARC 4 Maintenance
microARC Maintenance
Flood Coolant Maintenance
Replacement Mesh for Chip Basket Screen
Tormach Oil Skimmer - Easy Coolant Tank Maintenance
ATC Maintenance
General Tips and Maintenance for the Automatic Tool Changer (ATC)
Power Drawbar Maintenance - PCNC 1100
Operation and Programming
Machine Operation
Basic Operation - PCNC 1100
PathPilot Interface - PCNC 1100
Setting G30
Tormach Probing Routines
Setting Up Work and Tool Offsets On Tormach Mills
Probe & ETS Setup
Tweaking Your Work Offsets
Changing Machine Configuration
Setting Start Line in the Middle of Program
Windows 10 Network Setup and G-Code Share
PathPilot Settings Backup
PathPilot Spindle Warm Up Program
Setting Up WiFi and Software Updates
On-the-Fly Math for Feed Rates
Finding G-Code from the MDI Line
Creeping Up on a Part
How to Cut Holes with CNC
Generating a Log Data File in PathPilot
Your First Day with Tormach's PathPilot
Cutting Your First Part on a Tormach Mill
PathPilot Programming
Programming - PCNC 1100
G28 Command
Work Coordinate Rotation with G10 L2 in PathPilot
CAM Driven Probing
G64/M59 Guide
Macro Programming
Conversational Programming in Tormach's PathPilot
Conversational Drill and Tap
PathPilot Post Processor Guidelines
Troubleshooting
Spindle Troubleshooting
PCNC 1100 Spindle Will Not Turn
Preventing Collet Slip
Changing Spindle Belt Range
Spindle Tram Adjustment
PCNC 1100 Spindle Rebuild
Chatter
ATC Troubleshooting
Power Drawbar (PDB), Tool Won't Release - Legacy ATC
Pneumatic Seal Replacement for Leaking Drawbars
ATC Tab Disappears - Legacy ATC (10 Pocket)
Tray Won't Reference - Legacy ATC (10 Pocket)
Tray In Sensor Isn't Working - Legacy ATC (10 Pocket)
Tray is Moving Too Fast or Too Slow - Legacy ATC (10 Pocket)
Low Air Pressure or Malfunctioning Air Pressure Switch - PCNC 1100
Check Fuses and Cables Error
Device Homing Error
Tray-In Sensor Fault
Manual Tool Change with Dead ATC Board - PCNC 1100
Power Drawbar Foot Pedal Troubleshooting
Getting Out of an ATC Jam
Controller Troubleshooting
Controller Won't Power On - PCNC 1100
Controller Monitor (Standard and Touch Screen) Doesn't Work
Controller is Beeping on Boot Up - Tower Controller
DB25 Troubleshooting Fundamentals - PCNC 770 & 1100
Restore PathPilot to Factory Settings
DB25 Cable J4 and J10(440) Pinout
Motion System Troubleshooting
All Axes Won't Move When Commanded - PCNC 1100
One Axis Won't Move (or Only Moves in One Direction), and Other Axes Move - PCNC 1100
Can't Reference All Axes - PCNC 1100
Mill Gib/AC Bearing Adjustment and Backlash Compensation - PCNC 1100
Lost Motion Testing - PCNC 1100
Axis Movement is Noisy - PCNC 1100
Ballscrew Replacement
Limit Switch Troubleshooting for PCNC 770 and 1100
PCNC 1100 and 770 Series 1 and Series 2 Dip Switches
General Electrical Troubleshooting
Machine Won't Power On - PCNC 1100
Checking a Fuse on a Tormach Machine
Accessory Troubleshooting
Automatic Oiler Troubleshooting
Unlock and Reprogram Auto Oiler
microARC 4 Troubleshooting
microARC 4 Repair
6 and 8 in. 4th Axis Troubleshooting
4th Axis Backlash Adjustment
RapidTurn Troubleshooting
RapidTurn Motor Spinning the Wrong Direction
RapidTurn Speed Sensor Adjustment
Flood Coolant Troubleshooting
Coolant Pump Won't Run - PCNC 1100
AF50 Knowledge Base
About Your Machine
Safety
Machine Specifications
Site Requirements
Installation
Before You Begin
Unpack the Machine Crate
Set Up the Machine
Verify the Installation
Machine Operation
System Basics - AF50
Basic Operations - AF50
Automatic and Manual Operation - AF50
Maintenance and Mechanical Adjustments
Machine Maintenance - AF50
Mechanical Adjustments - AF50
Troubleshooting
Operations Troubleshooting
Blades Break Too Frequently - AF50
Blades Dull Too Quickly - AF50
Blades Lose Teeth - AF50
Cuts Are Crooked - AF50
Material Doesn't Advance - AF50
Material Slips in Vise Clamps - AF50
Noise or Problems Moving Through the Cut - AF50
Motor and Electrical Troubleshooting
Coolant Pump Doesn't Work - AF50
Error on the Control Panel - AF50
Machine Doesn't Start or a Panel Breaker Trips - AF50
Machine Stalls or It's Underpowered - AF50
Noise or Machine Vibration - AF50
Diagrams and Parts Lists
Base Casting Exploded View - AF50
Head Casting Exploded View - AF50
Infeed Table Exploded View - AF50
Stand Exploded View - AF50
Pneumatic and Electrical Schematics
Bandsaw Pneumatics - AF50
115 Vac Power - AF50
Controls and Sensors - AF50
Terminal Strips - AF50
Electrical Panel Layout - AF50
770MX (ML Serials) Knowledge Base - Coming Soon!
1500MX Knowledge Base
About Your Machine
Safety
Machine Specifications
Site Requirements
Installation
Before You Begin
Unpack the Machine Crate
Self-Assembled Installation - 1500MX
Self-Assembled Installation Manual - 1500MX
Factory-Assembled Machine Setup - 1500MX
Verify the Installation
Hiring a Rigging Company to Deliver Your 1500MX
Accessory Installation
Probe and Tool Setter
Flood Coolant Kit (Self-Installed Machines)
Automatic Chip Tray Washdown Kit
Through-Spindle Coolant (TSC) Kit
Chip Conveyor Kit
Mist Collector Kit
MQL Kit
Automatic Tool Changer (ATC)
microARC 6
Maintenance
Machine Maintenance
Operation and Programming
Machine Operation
System Basics - 1500MX
PathPilot Interface Overview - 1500MX
PathPilot Tools and Features - 1500MX
Basic Operations - 1500MX
Generating a Log Data File in PathPilot
Your First Day with Tormach's PathPilot
Cutting Your First Part on a Tormach Mill
Creeping Up on a Part
Finding G-Code from the MDI Line
On-the-Fly Math for Feed Rates
PathPilot Spindle Warm Up Program
Setting Up WiFi and Software Updates
Windows 10 Network Setup and G-Code Share
PathPilot Settings Backup
Tweaking Your Work Offsets
Tormach Probing Routines
Setting Start Line in the Middle of Program
Setting G30
How to Cut Holes with CNC
Engraving Comparison on Three Tormach CNC Mills: PCNC 440, 1100MX, and 1500MX
Through Spindle Coolant Overview
Parameter, and Approach for Cutting titanium on the 1500MX
Developing Cut Strategies for 304 Stainless Steel on the Tormach 1500MX CNC Mill
PathPilot Programming
Programming - 1500MX
PathPilot Post Processor Guidelines
Macro Programming
Conversational Programming in Tormach's PathPilot
Conversational Drill and Tap
G64/M59 Guide
G28 Command
CAM Driven Probing
Work Coordinate Rotation with G10 L2 in PathPilot
Troubleshooting
Servo Drive Subsystem
All Axes Won't Move When Commanded - 1500MX
One Axis Won't Move (or Only Moves in One Direction), and Other Axes Move - 1500MX
Axis Movement is Noisy - 1500MX
Lost Motion on Axis Travel - 1500MX
Spindle Drive Subsystem
The Spindle Won't Turn - 1500MX
Machining Operations are Loud (Chatter) - 1500MX
Can't Load or Unload a Tool, or the Spindle's Drawbar Drags Against the Power Drawbar Cylinder's Piston - 1500MX
Spindle Rotates on Contact, or Spindle Isn't Rigidly Clamped
Spindle Doesn't Orient Correctly or Consistently - 1500MX
Power Distribution Subsystem
Machine Won't Power On - 1500MX
Operator Console Won't Power On - 1500MX
Restore PathPilot to Factory Settings
Servo IO Breakout Board Subsystem
Groups of Inputs and Outputs Aren't Functioning - 1500MX
Accessory Troubleshooting
Unlock and Reprogram Auto Oiler
Exploded Views
Machine Diagrams and Parts Lists
Assembly Overview - 1500MX
BT30 Power Drawbar Cylinder - 1500MX
Electrical Cabinet - 1500MX
Enclosure - 1500MX
Flood Coolant System - 1500MX
Flood Coolant Kit Assembly - 1500MX
Coolant Tank Assembly - 1500MX
Flood Coolant Filter Assembly - 1500MX
Y-Axis Washdown Nozzle - 1500MX
Flood Coolant Manifold Manifold Assembly
Washdown Gun Kit
Linear Actuator Assembly - 1500MX
Pneumatics Assembly - 1500MX
Spindle Head - 1500MX
Spindle Head Camera Assembly - 1500MX
Spindle Head Sheet Metal Cover Assembly - 1500MX
X-Axis Assembly - 1500MX
X-Axis Lubrication Assembly - 1500MX
Lubrication Assembly - 1500MX
X-Axis Sheet Metal Cover Assembly - 1500MX
Y-Axis Lubrication Assembly - 1500MX
Y-Axis Front Way Cover Assembly - 1500MX
Y-Axis Read Way Cover Assembly - 1500MX
Z-Axis Lubrication Assembly - 1500MX
Z-Axis Way Cover Assembly - 1500MX
Accessory Diagrams and Parts Lists
Automatic Tool Changer Assembly - 1500MX
microARC 6 Assembly - 1500MX
MQL Solenoid Assembly, 24 Vdc - 1500MX
Washdown Kit Assembly - 1500MX
Electrical Schematics
Mill Schematics
230 Vac Power - 1500MX
24 Vdc Controls - 1500MX
Safety Systems - 1500MX
Spindle Drive - 1500MX
X-, Y-, Z-Axis Drives - 1500MX
A- and B-Axis Drives - 1500MX
EtherCAT IO Board - 1500MX
Accessory / Auxiliary - 1500MX
Grounds - 1500MX
-X1 AC Terminal Strip - 1500MX
-X2 Control Terminal Strip - 1500MX
-X3 Grounds Terminal Strip - 1500MX
Wiring Table - 1500MX
Accessory Schematics
Automatic Tool Changer (ATC) Schematics - 1500MX
Through-Spindle Coolant Electrical Schematics - 1500MX
Chip Conveyor Electrical Schematic - 1500MX
Welcome to the 8L Knowledge Base!
About Your Machine
Safety
Machine Specifications
Machine Kinematics (Max Feed, Travel Limits, Accelerations)
8L Torque Curves
Site Requirements
Installation
Before You Begin and Move the Pallet
Unpack the Machine Crate
Assemble the Machine Stand
Lift and Move the Machine
Install the PathPilot Controller
Set Up the PathPilot Controller
Verify the Installation
Align Quick Change Tool Post Kit
Install the Machine Stand Coolant Kit
Maintenance
Machine Maintenance
8L Maintenance
Machine Paint Color Codes
Operation and Programming
Machine Operation
System Basics - 8L
PathPilot Interface Overview - 8L
PathPilot Tools and Features - 8L
Basic Operations - 8L
Install a Chuck onto 8L Lathe
ID Boring and Threading on a Tormach 8L
Changing Machine Configuration
Touching Off Drills on a Tormach Lathe
Setting Up Work and Tool Offsets on a Tormach Lathe
Setting Up Multiple Offsets on an 8L Lathe
Adjusting Lathe Soft Limits
Cutting a Thumbscrew on an 8L Lathe
Beginner's Guide to Lathe Tooling
Setting Start Line in the Middle of Program
Windows 10 Network Setup and G-Code Share
PathPilot Settings Backup
PathPilot Spindle Warm Up Program
Setting Up WiFi and Software Updates
Finding G-Code from the MDI Line
Generating a Log Data File in PathPilot
Setting Up a Boring Bar on an 8L Lathe
Tormach 8L Lathe Setup (Part 1): Setting Up Tool Heights and Lengths
PathPilot Programming
Programming - 8L
Macro Programming
PathPilot Post Processor Guidelines
G64/M59 Guide
Troubleshooting
Spindle and Drive System Troubleshooting
My Spindle Won't Turn
Motion System Troubleshooting
All Axes Won't Move When Commanded - 8L
One Axis Won't Move (or Only Moves in One Direction), and Other Axes Move - 8L
Controller and Console Troubleshooting
Controller Monitor (Standard and Touch Screen) Doesn't Work
No Ethernet Link Detected Troubleshooting - 8L
Operator Console Troubleshooting
Controller Won't Power On - 8L
Restore PathPilot to Factory Settings
General Electrical Troubleshooting
Checking a Fuse on a Tormach Machine
Machine Won't Power On - 8L
Flood Coolant Troubleshooting
Coolant Pump Won't Run
Welcome to the xsTech Knowledge Base!
About Your Machine
xsTECH Machine Specifications
T-Slot Spacing of xsTECH
EU Declaration of Conformity (CE Certification)
xsTECH Router Bill of Materials
xsTECH Illustrated Parts Diagram and Key
xsTECH Exploded View
xsTECH Router Wiring Diagram
Getting Started
xsTECH Quick Setup Guide
Setting Up and Getting Started with an xsTECH Router
Holding Material in the xsTECH
Workholding Tips and Tricks
Tool Setter Installation
xsTECH 4th Axis Installation
xsTECH Tooling Overview
Getting Started with the xsTECH: A 9-Part CNC Training Series for Educators and Students
How to Make a Whiskey Smoker Using the Tormach xsTECH CNC Desktop Router
Creating Name Tags on the xsTECH Desktop Router: A CNC Project for Students
Making a Tool Holder on the xsTECH Desktop Router: Parts 1, 2 & 3
Making a Tool Holder on the xsTECH CNC Desktop Router: Parts 4, 5 & 6
Troubleshooting
X Axis Gantry Alignment
ETS Error When Measuring Tools
xsTECH Axis Motion Control Swap
xsTECH Spindle Speed Control Troubleshooting
xsTECH Spindle Running in Reverse
xsTECH X-Axis Motor Replacement
xsTECH Y-Axis Motor Replacement
Restore PathPilot to Factory Settings
FAQ
What is the Tormach xsTECH Router?
Do I need to supply my own compuer to use the xsTECH?
What is PathPilot?
How much does the xsTECH router weigh?
What size cutting tools can I use with the xsTECH Router?
How loud is the xsTECH Router?
How do I install tools on the xsTECH Router?
How do I reference the xsTECH Router?
How do I set X, Y, and Z-axis work offsets on the xsTECH Router?
How do I use the PathPilot Tool Table?
How do I use the electronic tool setter?
How do I update PathPilot?
How do I change BIOS power setting on my PathPilot controller?
How do I calibrate the touchscreen on my PathPilot controller?
How do I find the MAC address for my PathPilot Controller?
How do I replace the fuse on the xsTECH Router?
Where do I find the lot number or serial number of my xsTECH Router?
How do I adjust the tool setter sensor position?
How do I disable the limit switches on my xsTECH Router?
How do I cut plywood on the xsTECH Router?
How do I cut Plastic on the xsTECH Router?
How do I cut Hardwoods on the xsTECH Router?
Welcome the 15L Knowledge Base!
About Your Machine
Safety
Machine Specifications
Machine Kinematics (Max Feed, Travel Limits, Accelerations)
Site Planning and Prep
Installation
Receiving, Uncrating, and Initial Inspection
Install the PathPilot Controller
Install the Manual Oiler
Tormach 15L Slant-Pro CNC Lathe Lifting Kit
Accessory Installation
Turret
Gen 1 Turret Installation Manual
Gen 2 Turret
Gen 2 Turret Installation Manual (PN 37335)
How to Install Turret Boring Bar Holders on the Tormach 15L
Auto Collet Closer
Auto Collet Closer Installation Manual
D1-4 Lathe Chuck
D1-4 Chuck/Face Plate Installation Manual
Quick Change Tool Post
Quick Change Tool Post Installation Manual - 15L
Collet Closer Foot Pedal
15L Slant-PRO Lathe Light Kit
Chuck Guard Kit
15L Gen 2 Enclosure
Automatic Oiler
Gang Tooling
5C Collet Insert
Maintenance
Machine Maintenance
15L Maintenance
Machine Paint Color Codes
Accessory Maintenance
Adding Oil to a Gen 2 Turret
Operation and Programming
Machine Operation
Operation - 15L
PathPilot Tools and Features - 15L
PathPilot Interface Overview - 15L
Change Spindle Motor Pulley Position - 15L
Adjusting Lathe Soft Limits
Cutting a Yo-Yo on the Tormach 15L Slant-PRO Lathe
Customizing Lathe Turning Tools
Making a Pen with Lathe Conversational Profiling
Beginner's Guide to Lathe Tooling
Turning Steel on a 15L Slant-PRO Lathe
Cutting an Industrial-Style Air Hose Coupler on a Tormach Slant-Pro
Touching Off Drills on a Tormach Lathe
Cutting Your First Part on a Tormach Lathe
Cutting a Camera Step-Up Ring on a Tormach 15L
Cutting a Custom Steel Bolt on the Tormach 15L
Changing Machine Configuration
Generating a Log Data File in PathPilot
Finding G-Code from the MDI Line
PathPilot Spindle Warm Up Program
PathPilot Settings Backup
Windows 10 Network Setup and G-Code Share
Setting Start Line in the Middle of Program
Setting Up Work and Tool Offsets on a Tormach Lathe
Tormach 15L EZ Bar Puller/Automatic Collet Closer
PathPilot Programming
Programming - 15L
Macro Programming
PathPilot Post Processor Guidelines
Conversational Programming on the Tormach 15L Slant-PRO Lathe
G64/M59 Guide
Troubleshooting
Spindle and Drive System Troubleshooting
15L Encoder Replacement
My Spindle Won't Turn - 15L
Spindle Direction is Reverse
Motion System Troubleshooting
15L Gib/AC Bearing Adjustment and Backlash Compensation
All Axes Won't Move When Commanded - 15L
One Axis Won't Move (or Only Moves in One Direction), and Other Axes Move - 15L
Controller Troubleshooting
Controller Won't Power On - 15L
Controller Monitor (Standard and Touch Screen) Doesn't Work
Controller is Beeping on Boot Up - Tower Controller
Restore PathPilot to Factory Settings
DB25 Cable J4 and J10(Pinout) Pinout
General Electrical Troubleshooting
Checking a Fuse on a Tormach Machine
Machine Won't Power On - 15L
Turret Troubleshooting
Gen 2 Turret Harness Replacement
Gen 2 Turret Lock Sensor Adjustment
Accessory Troubleshooting
Automatic Oiler Troubleshooting
Unlock and Reprogram Auto Oiler
Flood Coolant Troubleshooting
Coolant Pump Won't Run - 15L
Diagrams and Parts List
Welcome to the 770M Knowledge Base!
About Your Machine
Safety
Machine Specifications
T-Slot Spacing on Tormach Mills
Machine Kinematics (Max Feed, Travel Limits, Accelerations)
770M/MX Torque Curves
Site Requirements
Installation
Before You Begin Installation
Assemble the Machine Stand
Unpack and Mount the Machine
PathPilot Controller
Set Up the PathPilot Controller
Manual Oiler
Filter-Regulator-Lubricator (FRL)
Verify the Installation
Leveling and Squaring Your Mill
Chip Pans
Enclosure
Accessory Installation
ATC
ATC Installation Manual - 770M
Tool Change Scenarios
microARC 4
microARC 4 Installation Manual
Simultaneous 4 Axis Machining in Fusion 360 with the Tormach microARC 4!
Machining a Turbine Disk on Tormach 1100MX + 4th Axis microARC
4th Axis CNC Milling Non-Cylindrical Parts Using Rotary Toolpath in Fusion 360
6 and 8 in. 4th Axis
4th Axis Installation Manual
How to Setup a 4th Axis: 4-Jaw Chuck
How to Setup a 4th Axis
RapidTurn
RapidTurn Installation
CNC Machining a Chess Rook With A Tormach RapidTurn
Operator Console
Operator Console Installation Video - 770M
Operator Console Installation Manual - 770M
SmartCool
SmartCool Installation Manual
Backsplash and Splash Guard
Fogbuster
USB I/O
Flood Coolant
Flood Coolant Kit
Automatic Oiler
Door Lock Switch Kit - 770M/MX
Touch Screen
Touch Screen Installation Video
Touch Screen Kit Installation Manual
Vise
Basic Steps to Square a Vise
Power Drawbar Kit - 770M/1100M
ETS - Electronic Tool Setter
Power Drawbar Foot Pedal
Maintenance
Machine Maintenance
770M Maintenance
Machine Paint Color Codes
Accessory Maintenance
ATC Maintenance
General Tips and Maintenance for the Automatic Tool Changer (ATC)
6 and 8 in. 4th Axis Maintenance
Rotary Table Milling Machine Maintenance
microARC 4 Maintenance
microARC Maintenance
Flood Coolant Maintenance
Tormach Oil Skimmer - Easy Coolant Tank Maintenance
Replacement Mesh for Chip Basket Screen
Power Drawbar Maintenance - 770M/1100M
Operation and Programming
Machine Operation
System Basics - 770M
PathPilot Interface Overview - 770M
PathPilot Tools and Features - 770M
Basic Operations - 770M
Tweaking Your Work Offsets
Setting G30
Tormach Probing Routines
Setting Up Work and Tool Offsets On Tormach Mills
Setting Start Line in the Middle of Program
Windows 10 Network Setup and G-Code Share
PathPilot Settings Backup
PathPilot Spindle Warm Up Program
Setting Up WiFi and Software Updates
On-the-Fly Math for Feed Rates
Finding G-Code from the MDI Line
Creeping Up on a Part
Cutting Your First Part on a Tormach Mill
Your First Day with Tormach's PathPilot
Generating a Log Data File in PathPilot
How to Cut Holes with CNC
Changing Machine Configuration
Probe & ETS Setup
PathPilot Programming
Programming - 770M
Work Coordinate Rotation with G10 L2 in PathPilot
G28 Command
CAM Driven Probing
G64/M59 Guide
Macro Programming
PathPilot Post Processor Guidelines
Conversational Drill and Tap
Conversational Programming in Tormach's PathPilot
Troubleshooting
Spindle Troubleshooting
Spindle Tram Adjustment
Changing Spindle Belt Range
Preventing Collet Slip
770M Spindle Won't Turn
Chatter
ATC Troubleshooting
Device Homing Error
Tray-In Sensor Fault
Manual Tool Change with Dead ATC Board
Pneumatic Seal Replacement for Leaking Drawbars
Check Fuses and Cabling Error
Low Air Pressure or Malfunctioning Air Pressure Switch
Power Draw Bar (PDB), Tool Won't Load or Release
Getting Out of an ATC Jam
Controller and Console Troubleshooting
Controller Won't Power On - 770M
Controller Monitor (Standard and Touch Screen) Doesn't Work
Operator Console Troubleshooting
No Ethernet Link Detected Troubleshooting - 770M
Restore PathPilot to Factory Settings
Motion System Troubleshooting
All Axes Won't Move When Commanded - 770M
One Axis Won't Move (or Only Moves in One Direction), and Other Axes Move - 770M
Axis Movement is Noisy - 770M
Lost Motion Testing - 770M
Mill Gib/AC Bearing Adjustment and Backlash Compensation - 770M
Can't Reference All Axes - 770M
Limit Switch Troubleshooting for "M" Machines
Ballscrew Replacement
General Electrical Troubleshooting
Checking a Fuse on a Tormach Machine
Machine Won't Power On - 770M
XMF1 Fuse Block Replacement: 1100M and 770M
Accessory Troubleshooting
Automatic Oiler Troubleshooting
Unlock and Reprogram Auto Oiler
microARC 4 Troubleshooting
microARC 4 Repair
6 and 8 in. 4th Axis Troubleshooting
4th Axis Backlash Adjustment
RapidTurn Troubleshooting
RapidTurn Motor Spinning the Wrong Direction
RapidTurn Speed Sensor Adjustment
Flood Coolant Troubleshooting
Coolant Pump Won't Run
770M+ Servo Upgrade
770M+ Servo Upgrade Installation Video
770M+ Servo Upgrade Installation Manual
770M+ to MX Spindle Upgrade
770M+ BT30 Spindle Upgrade (M+ to MX)
770M+ BT30 Spindle Upgrade (M+ to MX) Installation Manual
Diagrams and Parts List
Base Machine - 770M
Power Drawbar Push Button - 770M
Spindle Motor Cover - 770M
X-Axis Assembly - 770M
Y-Axis Assembly - 770M
Y-Axis Saddle - 770M
X-Y Axis Assembly - 770M
Z-Axis Assembly - 770M
Enclosure - 770M
Lubrication/Oil System Diagram - 770M
Pneumatic and Electrical Schematics
Power Drawbar Pneumatics - 770M
Automatic Tool Changer (ATC) Pneumatics - 770M
115 VAC Power - 770M
24 VDC Controls - 770M
Axis Drive Bus - 770M
Spindle Drive - 770M
Machine Control Board - 770M
Limit/Door Switches - 770M
Accessory and Auxiliary - 770M
Grounds - 770M
Electrical Panel Layout and Fuse Table - 770M
Operator Box Layout - 770M
Wiring Table - 770M
Operator Console - 770M
Automatic Tool Changer (ATC) Electrical - 770M
xsTECH Pro Knowledgebase - Coming Soon!
Welcome to the 24R Knowledge Base!
About Your Machine
Safety
Machine Specifications
Machine Kinematics
Spoilboard Bolt Pattern
T-Slot Layout and Dimensions
Site Requirements
Installation
Before You Begin
Unpack and Level the Machine
Install the PathPilot Controller
Make Water Chiller Connections
Verify the Installation
Set Up the PathPilot Controller
Accessory Installation
ATC
ATC Installation Video - 24R
ATC Installation Manual - 24R
Operator Console
Operator Console Installation Video - 24R
Operator Console Installation Manual - 24R
24R Z-Axis Brake Retrofit Kit
24R Z-Axis Brake Retrofit Kit Installation Manual
24R 24 Vdc Power Supply
24 Vdc Power Supply for 24R Router Installation Manual
Maintenance
Machine Maintenance - 24R
24R Maintenance
Operation and Programming
Machine Operation
System Basics - 24R
PathPilot Interface Overview - 24R
PathPilot Tools and Features - 24R
Basic Operations - 24R
Changing Machine Configuration
Generating a Log Data File in PathPilot
Your First Day with Tormach's PathPilot
Creeping Up on a Part
Finding G-Code from the MDI Line
On-the-Fly Math for Feed Rates
PathPilot Spindle Warm Up Program
Setting Up WiFi and Software Updates
Windows 10 Network Setup and G-Code Share
Cutting a Wall Clock on a Tormach 24R Router
PathPilot Programming
Programming - 24R
Troubleshooting
Controller and Console Troubleshooting
Controller Won't Power On - 24R
Controller Monitor (Standard and Touch Screen) Doesn't Work
Operator Console Troubleshooting
No Ethernet Link Detected Troubleshooting - 24R
Restore PathPilot to Factory Settings
General Electrical Troubleshooting
Checking a Fuse on a Tormach Machine
Machine Won't Power On - 24R
Motion System Troubleshooting
Limit Switch/Prox Sensor Troubleshooting - 24R
Lost Motion - 24R
Axis Movement is Noisy - 24R
One Axis Won't Move (or Only Moves in One Direction), and Other Axes Move - 24R
Can't Reference All Axes - 24R
All Axes Won't Move When Commanded - 24R
ATC Troubleshooting
ATC Board Not Powering Up - 24R
Spindle Troubleshooting
My Spindle Won't Turn - 24R
Troubleshooting the TPS and PDB Sensors - 24R ATC Spindle
Welcome to the 1100M Knowledge Base!
About Your Machine
Safety
Machine Specifications
T-Slot Spacing on Tormach Mills
Machine Kinematics (Max Feed, Travel Limits, Accelerations)
1100M Torque Curves
Site Requirements
Moving a 1100 (PCNC or M/MX) Through a Doorway (Door Dance)
Installation
Before You Begin
Assemble the Machine Stand
Unpack and Mount the Machine
PathPilot Controller
Set Up the PathPilot Controller
Manual Oiler
Filter-Regulator-Lubricator (FRL)
Verify the Installation
Leveling and Squaring Your Mill
Chip Pans
Enclosure
Accessory Installation
ATC
ATC Installation Manual - 1100M
Tool Change Scenarios
Power Drawbar Kit - 770M/1100M
microARC 4
microARC 4 Installation Manual
Simultaneous 4 Axis Machining in Fusion 360 with the Tormach microARC 4!
Machining a Turbine Disk on Tormach 1100MX + 4th Axis microARC
4th Axis CNC Milling Non-Cylindrical Parts Using Rotary Toolpath in Fusion 360
6 and 8 in. 4th Axis
4th Axis Installation Manual
How to Setup a 4th Axis: 4-Jaw Chuck
How to Setup a 4th Axis
RapidTurn
RapidTurn Installation
CNC Machining a Chess Rook With A Tormach RapidTurn
Operator Console
Operator Console Installation Video - 1100M
Operator Console Installation Manual - 1100M
SmartCool
SmartCool Installation Manual
Backsplash and Splash Guard
Fogbuster
USB I/O
Flood Coolant
Flood Coolant Kit
Automatic Oiler
Door Lock Switch Kit - 1100M/MX
Touch Screen
Touch Screen Installation Video
Touch Screen Kit Installation Manual
Vise
Basic Steps to Square a Vise
ETS - Electronic Tool Setter
Power Drawbar Foot Pedal
Maintenance
Machine Maintenance
1100M Maintenance
Machine Paint Color Codes
Accessory Maintenance
6 and 8 in. 4th Axis Maintenance
Rotary Table Milling Machine Maintenance
microARC 4 Maintenance
microARC Maintenance
Flood Coolant Maintenance
Tormach Oil Skimmer - Easy Coolant Tank Maintenance
Replacement Mesh for Chip Basket Screen
ATC Maintenance
General Tips and Maintenance for the Automatic Tool Changer (ATC)
Power Drawbar Maintenance - 770M/1100M
Operation and Programming
Machine Operation
System Basics - 1100M
PathPilot Interface Overview - 1100M
PathPilot Tools and Features - 1100M
Basic Operations - 1100M
Tormach Probing Routines
Setting Up Work and Tool Offsets On Tormach Mills
Tweaking Your Work Offsets
Changing Machine Configuration
Setting Start Line in the Middle of Program
Windows 10 Network Setup and G-Code Share
PathPilot Settings Backup
PathPilot Spindle Warm Up Program
Setting Up WiFi and Software Updates
On-the-Fly Math for Feed Rates
Finding G-Code from the MDI Line
Creeping Up on a Part
How to Cut Holes with CNC
Generating a Log Data File in PathPilot
Your First Day with Tormach's PathPilot
Cutting Your First Part on a Tormach Mill
Setting G30
Probe & ETS Setup
PathPilot Programming
Programming - 1100M
G28 Command
Work Coordinate Rotation with G10 L2 in PathPilot
CAM Driven Probing
G64/M59 Guide
Macro Programming
PathPilot Post Processor Guidelines
Conversational Drill and Tap
Conversational Programming in Tormach's PathPilot
Troubleshooting
Spindle Troubleshooting
Preventing Collet Slip
Changing Spindle Belt Range
Spindle Tram Adjustment
1100M/MX Spindle Will Not Turn
Chatter
ATC Troubleshooting
Power Draw Bar (PDB), Tool Won't Load or Release
Pneumatic Seal Replacement for Leaking Drawbars
Low Air Pressure or Malfunctioning Air Pressure Switch
Check Fuses and Cabling Error
Manual Tool Change with Dead ATC Board - 1100M
Tray-In Sensor Fault
Device Homing Error
Getting Out of an ATC Jam
Controller and Console Troubleshooting
Controller Won't Power On - 1100M
Controller Monitor (Standard and Touch Screen) Doesn't Work
Operator Console Troubleshooting
No Ethernet Link Detected Troubleshooting - 1100M
Restore PathPilot to Factory Settings
Motion System Troubleshooting
All Axes Won't Move When Commanded - 1100M
Can't Reference All Axes - 1100M
Axis Movement is Noisy - 1100M
Lost Motion Testing - 1100M
Mill Gib/AC Bearing Adjustment and Backlash Compensation - 1100M
One Axis Won't Move (or Only Moves in One Direction), and Other Axes Move - 1100M
Ballscrew Replacement
Limit Switch Troubleshooting for "M" Machines
General Electrical Troubleshooting
Checking a Fuse on a Tormach Machine
Machine Won't Power On - 1100M
XMF1 Fuse Block Replacement: 1100M and 770M
Accessory Troubleshooting
Automatic Oiler Troubleshooting
Unlock and Reprogram Auto Oiler
microARC 4 Troubleshooting
microARC 4 Repair
6 and 8 in. 4th Axis Troubleshooting
4th Axis Backlash Adjustment
RapidTurn Troubleshooting
RapidTurn Motor Spinning the Wrong Direction
RapidTurn Speed Sensor Adjustment
Flood Coolant Troubleshooting
Coolant Pump Won't Run
1100M+ Servo Upgrade
1100M+ Servo Upgrade Installation Video
1100M+ Servo Upgrade Installation Manual
1100M+ to MX Spindle Upgrade
1100M+ BT30 Spindle Upgrade (M+ to MX)
1100M+ BT30 Spindle Upgrade (M+ to MX) Installation Manual
Diagrams and Parts Lists
Base Machine - 1100M
Power Drawbar Push Button - 1100M
Spindle Motor Cover - 1100M
X-Axis Assembly - 1100M
Y-Axis Assembly - 1100M
Y-Axis Saddle - 1100M
X-Y Axis Assembly - 1100M
Z-Axis Assembly - 1100M
Stand - 1100M
Coolant Tank - 1100M
Enclosure - 1100M
Lubrication/Oil System Diagram - 1100M
Pneumatic and Electrical Schematics
Power Drawbar Pneumatics - 1100M
Automatic Tool Changer (ATC) Pneumatics - 1100M
230 VAC Power - 1100M
24 VDC Controls - 1100M
Axis Drive Bus - 1100M
Spindle Drive - 1100M
Machine Control Board - 1100M
Limit/Door Switches - 1100M
Accessory and Auxiliary Power - 1100M
Grounds - 1100M
Electrical Panel Layout and Fuse Table - 1100M
Operator Box Layout - 1100M
Wiring Table - 1100M
Operator Console - 1100M
Automatic Tool Changer (ATC) Electrical - 1100M
Welcome to the 770MX (MF/MH) Knowledge Base!
About Your Machine
Safety
Machine Specifications
T-Slot Spacing on Tormach Mills
Machine Kinematics (Max Feed, Travel Limits, Accelerations)
770M/MX Torque Curves (MX - MF/MH Serials)
Site Requirements
Installation
Before You Begin
Assemble the Machine Stand
Unpack and Mount the Machine
PathPilot Controller
Manual Oiler
Filter-Regulator-Lubricator (FRL)
Set Up the PathPilot Controller
Verify the Installation
Leveling and Squaring Your Mill
Chip Pans
Enclosure
Accessory Installation
ATC
ATC Installation Manual - 770MX
Tool Change Scenarios
microARC 4
microARC 4 Installation Manual
Simultaneous 4 Axis Machining in Fusion 360 with the Tormach microARC 4!
Machining a Turbine Disk on Tormach 1100MX + 4th Axis microARC
4th Axis CNC Milling Non-Cylindrical Parts Using Rotary Toolpath in Fusion 360
6 and 8 in. 4th Axis
4th Axis Installation Manual
How to Setup a 4th Axis: 4-Jaw Chuck
How to Setup a 4th Axis
RapidTurn
RapidTurn Installation
CNC Machining a Chess Rook With A Tormach RapidTurn
Operator Console
Operator Console Installation Video - 770MX
Operator Console Installation Manual - 770MX
SmartCool
SmartCool Installation Manual
Fogbuster
USB I/O
Flood Coolant
Flood Coolant Kit
Door Lock Switch Kit - 770M/MX
Automatic Oiler
Touch Screen
Touch Screen Installation Video
Touch Screen Kit Installation Manual
Vise
Basic Steps to Square a Vise
ETS - Electronic Tool Setter
Power Drawbar Foot Pedal
Maintenance
Machine Maintenance
770MX Maintenance
Machine Paint Color Codes
Accessory Maintenance
ATC Maintenance
General Tips and Maintenance for the Automatic Tool Changer (ATC)
6 and 8 in. 4th Axis Maintenance
Rotary Table Milling Machine Maintenance
microARC 4 Maintenance
microARC Maintenance
Flood Coolant Maintenance
Tormach Oil Skimmer - Easy Coolant Tank Maintenance
Replacement Mesh for Chip Basket Screen
Operation and Programming
Machine Operation
System Basics - 770MX
PathPilot Interface Overview - 770MX
PathPilot Tools and Features - 770MX
Basic Operations - 770MX
Setting Start Line in the Middle of Program
Windows 10 Network Setup and G-Code Share
PathPilot Settings Backup
PathPilot Spindle Warm Up Program
Setting Up WiFi and Software Updates
On-the-Fly Math for Feed Rates
Finding G-Code from the MDI Line
Creeping Up on a Part
Cutting Your First Part on a Tormach Mill
Your First Day with Tormach's PathPilot
Generating a Log Data File in PathPilot
How to Cut Holes with CNC
Changing Machine Configuration
Setting G30
Tormach Probing Routines
Setting Up Work and Tool Offsets On Tormach Mills
Tweaking Your Work Offsets
Probe & ETS Setup
PathPilot Programming
Programming - 770MX
G28 Command
Work Coordinate Rotation with G10 L2 in PathPilot
CAM Driven Probing
G64/M59 Guide
Macro Programming
PathPilot Post Processor Guidelines
Conversational Drill and Tap
Conversational Programming in Tormach's PathPilot
Troubleshooting
Spindle Troubleshooting
Spindle Tram Adjustment
Changing Spindle Belt Range
Spindle Won't Turn
Spindle Orient or at Speed Fails
Chatter
ATC Troubleshooting
Device Homing Error
Tray-In Sensor Fault
Low Air Pressure or Malfunctioning Air Pressure Switch
BT30 Drawbar Adjustments for Better Tooling Removal
Manual Tool Change with Dead ATC Board - 770MX
Pneumatic Seal Replacement for Leaking Drawbars
Check Fuses and Cabling Error
Getting Out of an ATC Jam
Controller and Console Troubleshooting
Controller Won't Power On - 770MX
Controller Monitor (Standard and Touch Screen) Doesn't Work
Operator Console Troubleshooting
No Ethernet Link Detected Troubleshooting - 770MX
Restore PathPilot to Factory Settings
Motion System Troubleshooting
Mill Gib/AC Bearing Adjustment and Backlash Compensation - 770MX
Ballscrew Replacement
Lost Motion Testing - 770MX
All Axes Won't Move When Commanded - 770MX
One Axis Won't Move (or Only Moves in One Direction), and Other Axes Move - 770MX
Axis Movement is Noisy - 770MX
General Electrical Troubleshooting
Checking a Fuse on a Tormach Machine
Machine Won't Power On - 770MX
Accessory Troubleshooting
Automatic Oiler Troubleshooting
Unlock and Reprogram Auto Oiler
microARC 4 Troubleshooting
microARC 4 Repair
6 and 8 in. 4th Axis Troubleshooting
4th Axis Backlash Adjustment
RapidTurn Troubleshooting
RapidTurn Motor Spinning the Wrong Direction
RapidTurn Speed Sensor Adjustment
Flood Coolant Troubleshooting
Coolant Pump Won't Run
Diagrams and Parts List
Base Machine - 770MX
Spindle Cartridge - 770MX
Spindle Head - 770MX
Power Drawbar Push Button - 770MX
Spindle Motor Cover - 770MX
X-Axis Assembly - 770MX
Y-Axis Assembly - 770MX
Y-Axis Saddle - 770MX
X-Y Axis Assembly - 770MX
Lubrication/Oil System - 770MX
Pneumatic and Electrical Schematics
Power Drawbar Pneumatics - 770MX
Automatic Tool Change (ATC) Pneumatics - 770MX
115 VAC Power - 770MX
24 VDC Controls - 770MX
Axis Drive Bus - 770MX
Spindle Drive - 770MX
Machine Control Board - 770MX
Limit/Door Switches - 770MX
Accessory and Auxiliary Power - 770MX
Grounds - 770MX
Electrical Panel Layout and Fuse Table - 770MX
Operator Box Layout - 770MX
Wiring Table - 770MX
Operator Console Schematic - 770MX
15LX Knowledge Base - Coming Soon!
Welcome to the PCNC 770 Knowledge Base!
About Your Machine
Safety
Machine Specifications (Series 3)
T-Slot Spacing on Tormach Mills
Machine Kinematics (Max Feed, Travel Limits, Accelerations)
Site Planning and Prep
Installation
Receiving, Uncrating, and Initial Inspection
Unpack and Mount the Machine
Install PathPilot Controller
Essential Controls Overview
Power Off/Power On Procedure
Controller Customization
Validate Basic Installation
Leveling and Squaring Your Mill
Accessory Installation
Machine Stand - PCNC 770
Enclosure - PCNC 770
Power Drawbar - PCNC 770
ATC
Legacy ATC Installation Manual - PCNC 770
M-Style ATC Installation Manual - PCNC 770
Tool Change Scenarios
ETS - Electronic Tool Setter
Enclosure Switch Kit - PCNC 770
microARC 4
microARC 4 Installation Manaual
Simultaneous 4 Axis Machining in Fusion 360 with the Tormach microARC 4!
Machining a Turbine Disk on Tormach 1100MX + 4th Axis microARC
4th Axis CNC Milling Non-Cylindrical Parts Using Rotary Toolpath in Fusion 360
SmartCool
SmartCool Installation Manual
FogBuster
USB I/O
Touch Screen
Touch Screen Installation Manual
Touch Screen Installation Video
Vise
Basic Steps to Square a Vise
RapidTurn
RapidTurn Installation
CNC Machine a Chess Rook With a Tormach RapidTurn
Power Drawbar Foot Pedal
6 and 8 in. 4th Axis
6 and 8 in. 4th Axis for PCNC 770/1100
How to Setup a 4th Axis: 4-Jaw Chuck
How to Setup a 4th Axis
Maintenance
Machine Maintenance
PCNC 770 Maintenance
Machine Paint Color Codes
Flushing the Lubrication System
Accessory Maintenance
6 and 8 in. 4th Axis Maintenance
Rotary Table Milling Machine Maintenance
microARC 4 Maintenance
microARC Maintenance
Flood Coolant Maintenance
Replacement Mesh for Chip Basket Screen
Tormach Oil Skimmer - Easy Coolant Tank Maintenance
ATC Maintenance
General Tips and Maintenance for the Automatic Tool Changer (ATC)
Power Drawbar Maintenance - PCNC 770
Operation and Programming
Machine Operation
Basic Operation - PCNC 770
PathPilot Interface - PCNC 770
Setting G30
Tormach Probing Routines
Setting Up Work and Tool Offsets On Tormach Mills
Tweaking Your Work Offsets
Changing Machine Configuration
Setting Start Line in the Middle of Program
Windows 10 Network Setup and G-Code Share
PathPilot Settings Backup
PathPilot Spindle Warm Up Program
Setting Up WiFi and Software Updates
On-the-Fly Math for Feed Rates
Finding G-Code from the MDI Line
Creeping Up on a Part
Cutting Your First Part on a Tormach Mill
Your First Day with Tormach's PathPilot
Generating a Log Data File in PathPilot
How to Cut Holes with CNC
Probe & ETS Setup
PathPilot Programming
Programming - PCNC 770
G28 Command
Work Coordinate Rotation with G10 L2 in PathPilot
CAM Driven Probing
G64/M59 Guide
Macro Programming
PathPilot Post Processor Guidelines
Conversational Drill and Tap
Conversational Programming in Tormach's PathPilot
Troubleshooting
Spindle Troubleshooting
PCNC 770 Spindle Will Not Turn
Preventing Collet Slip
Changing Spindle Belt Range
Spindle Tram Adjustment
Chatter
ATC Troubleshooting
Power Drawbar (PDB), Tool Won't Release - Legacy ATC
Pneumatic Seal Replacement for Leaking Drawbars
ATC Tab Disappears - Legacy ATC
Tray Won't Reference - Legacy ATC
Tray In Sensor Isn't Working - Legacy ATC
Tray is Moving Too Fast or Too Slow - Legacy ATC
Low Air Pressure or Malfunctioning Air Pressure Switch - PCNC 770
Check Fuses and Cables Error
Device Homing Error
Tray-In Sensor Fault
Manual Tool Change with Dead ATC Board - PCNC 770
Power Drawbar Foot Pedal Troubleshooting
Getting Out of an ATC Jam
Controller Troubleshooting
DB25 Troubleshooting Fundamentals - PCNC 770 & 1100
Controller is Beeping on Boot Up - Tower Controller
Controller Monitor (Standard and Touch Screen) Doesn't Work
Controller Won't Power On - PCNC 770
Restore PathPilot to Factory Settings
DB25 Cable J4 and J10(440) Pinout
Motion System Troubleshooting
Mill Gib/AC Bearing Adjustment and Backlash Compensation - PCNC 770
Lost Motion Testing - PCNC 770
Limit Switch Troubleshooting for PCNC 770 and 1100
Ballscrew Replacement
Axis Movement is Noisy - PCNC 770
One Axis Won't Move (or Only Moves in One Direction), and Other Axes Move - PCNC 770
All Axes Won't Move When Commanded - PCNC 770
Can't Reference All Axes - PCNC 770
PCNC 1100 and 770 Series 1 and Series 2 Dip Switches
General Electrical Troubleshooting
Checking a Fuse on a Tormach Machine
Machine Won't Power On - PCNC 770
Accessory Troubleshooting
Automatic Oiler Troubleshooting
Unlock and Reprogram Auto Oiler
microARC 4 Troubleshooting
microARC 4 Repair
6 and 8 in. 4th Axis Troubleshooting
4th Axis Backlash Adjustment
RapidTurn Troubleshooting
RapidTurn Motor Spinning the Wrong Direction
RapidTurn Speed Sensor Adjustment
Flood Coolant Troubleshooting
Coolant Pump Won't Run - PCNC 1100
AF50+ Knowledge Base - Coming Soon!
About Your Machine
Safety
Machine Specifications
Site Requirements
Installation
Before You Begin
Unpack the Crate
Set Up the Machine
Verify the Installation
Machine Operation
System Basics - AF50+
Basic Operations - AF50+
Automatic and Manual Operation - AF50+
Maintenance and Mechanical Adjustments
Machine Maintenance - AF50+
Mechanical Adjustments - AF50+
Troubleshooting
Operations Troubleshooting
Blades Break Too Frequently - AF50+
Blades Dull Too Quickly - AF50+
Blades Lose Teeth - AF50+
Cuts Are Crooked - AF50+
Material Doesn't Advance - AF50+
Material Slips in Vise Clamps - AF50+
Noise or Problems Moving Through the Cut - AF50+
Motor and Electrical Troubleshooting
Coolant Pump Doesn't Work - AF50+
Error on the Control Panel - AF50+
Machine Doesn't Start or a Panel Breaker Trips - AF50+
Machine Stalls or It's Underpowered - AF50+
Diagrams and Parts Lists
Pneumatic and Electrical Schematics
Pneumatic System - AF50+
Electrical Schematic - AF50+
Open a Support Ticket
Forums
Tormach YouTube
Tech Support YouTube
Tormach.com
Main
About Your Machine
Safety
Machine Specifications
T-Slot Spacing on Tormach Mills
Machine Kinematics (Max Feed, Travel Limits, Accelerations)
1100MX Torque Curves
Site Requirements
Moving a 1100 (PCNC or M/MX) Through a Doorway (Door Dance)
Installation
Before You Begin
Assemble the Machine Stand
Unpack and Mount the Machine
PathPilot Controller
Set Up the PathPilot Controller
Manual Oiler
Filter-Regulator-Lubricator (FRL)
Verify the Installation
Leveling and Squaring Your Mill
Chip Pans
Enclosure
Accessory Installation
ATC
ATC Installation Manual - 1100MX
Tool Change Scenarios
microARC 4
microARC 4 Installation Manual
Simultaneous 4 Axis Machining in Fusion 360 with the Tormach microARC 4!
Machining a Turbine Disk on Tormach 1100MX + 4th Axis microARC
4th Axis CNC Milling Non-Cylindrical Parts Using Rotary Toolpath in Fusion 360
6 and 8 in. 4th Axis
4th Axis Installation Manual
How to Setup a 4th Axis: 4-Jaw Chuck
How to Setup a 4th Axis
RapidTurn
RapidTurn Installation
CNC Machining a Chess Rook With A Tormach RapidTurn
Operator Console
Operator Console Installation Video - 1100MX
Operator Console Installation Manual - 1100MX
SmartCool
SmartCool Installation Manual
Fogbuster
USB I/O
Flood Coolant
Flood Coolant Kit
Automatic Oiler
Door Lock Switch Kit - 1100M/MX
Touch Screen
Touch Screen Installation Video
Touch Screen Installation Manual
Vise
Basic Steps to Square a Vise
ETS - Electronic Tool Setter
Power Drawbar Foot Pedal
Maintenance
Machine Maintenance
1100MX Maintenance
Machine Paint Color Codes
Accessory Maintenance
ATC Maintenance
General Tips and Maintenance for the Automatic Tool Changer (ATC)
6 and 8 in. 4th Axis Maintenance
Rotary Table Milling Machine Maintenance
microARC 4 Maintenance
microARC Maintenance
Flood Coolant Maintenance
Tormach Oil Skimmer - Easy Coolant Tank Maintenance
Replacement Mesh for Chip Basket Screen
Operation and Programming
Machine Operation
System Basics - 1100MX
PathPilot Interface Overview - 1100MX
PathPilot Tools and Features - 1100MX
Basic Operations - 1100MX
Changing Spindle Belt Range
Probe & ETS Setup
Changing Machine Configuration
Generating a Log Data File in PathPilot
Your First Day with Tormach's PathPilot
Cutting Your First Part on a Tormach Mill
Creeping Up on a Part
Finding G-Code from the MDI Line
On-the-Fly Math for Feed Rates
PathPilot Spindle Warm Up Program
Setting Up WiFi and Software Updates
Windows 10 Network Setup and G-Code Share
PathPilot Settings Backup
Tweaking Your Work Offsets
Setting Up Work and Tool Offsets On Tormach Mills
Tormach Probing Routines
Setting Start Line in the Middle of Program
Setting G30
How to Cut Holes with CNC
Engraving Comparison on Three Tormach CNC Mills: PCNC 440, 1100MX, and 1500MX
PathPilot Programming
Programming - 1100MX
PathPilot Post Processor Guidelines
Macro Programming
Conversational Programming in Tormach's PathPilot
Conversational Drill and Tap
G64/M59 Guide
G28 Command
CAM Driven Probing
Work Coordinate Rotation with G10 L2 in PathPilot
Troubleshooting
Spindle Troubleshooting
1100M/MX Spindle Will Not Turn
Spindle Orient or at Speed Fails - 1100MX
Spindle Tram Adjustment
Chatter
ATC Troubleshooting
Device Homing Error
Tray-In Sensor Fault
Low Air Pressure or Malfunctioning Air Pressure Switch
BT30 Drawbar Adjustments for Better Tooling Removal
Manual Tool Change with Dead ATC Board - 1100MX
Pneumatic Seal Replacement for Leaking Drawbars
Check Fuses and Cabling Error
Getting Out of an ATC Jam
Controller and Console Troubleshooting
Controller Won't Power On - 1100MX
Controller Monitor (Standard and Touch Screen) Doesn't Work
Operator Console Troubleshooting
No Ethernet Link Detected Troubleshooting - 1100MX
Restore PathPilot to Factory Settings
Motion System Troubleshooting
One Axis Won't Move (or Only Moves in One Direction), and Other Axes Move - 1100MX
Mill Gib/AC Bearing Adjustment and Backlash Compensation - 1100MX
All Axes Won't Move When Commanded - 1100MX
Ballscrew Replacement
Axis Movement is Noisy - 1100MX
Lost Motion Testing - 1100MX
General Electrical Troubleshooting
Checking a Fuse on a Tormach Machine
Machine Won't Power On - 1100MX
Accessory Troubleshooting
Automatic Oiler Troubleshooting
Unlock and Reprogram Auto Oiler
microARC 4 Troubleshooting
microARC 4 Repair
6 and 8 in. 4th Axis Troubleshooting
4th Axis Backlash Adjustment
RapidTurn Troubleshooting
RapidTurn Motor Spinning the Wrong Direction
RapidTurn Speed Sensor Adjustment
Flood Coolant Troubleshooting
Coolant Pump Won't Run
Diagrams and Parts Lists
Base Machine - 1100MX
Spindle Cartridge - 1100MX
Power Drawbar Push Button - 1100MX
Spindle Motor Cover - 1100MX
X-Axis Assembly - 1100MX
Y-Axis Assembly - 1100MX
Y-Axis Saddle - 1100MX
X-Y Axis Assembly - 1100MX
Z-Axis Assembly - 1100MX
Enclosure - 1100MX
Lubrication/Oil System Diagram - 1100MX
Stand - 1100MX
Pneumatic and Electrical Schematics
Power Drawbar Pneumatics - 1100MX
230 VAC Power - 1100MX
24 VDC Controls - 1100MX
Axis Drive Bus - 1100MX
Spindle Drive - 1100MX
Machine Control Board - 1100MX
Limit/Door Switches - 1100MX
Accessory and Auxiliary Power - 1100MX
Grounds - 1100MX
Electrical Panel Layout and Fuse Table - 1100MX
Operator Box Layout - 1100MX
Wiring Table - 1100MX
Operator Console - 110MX
Automatic Tool Changer (ATC) Pneumatics - 1100MX
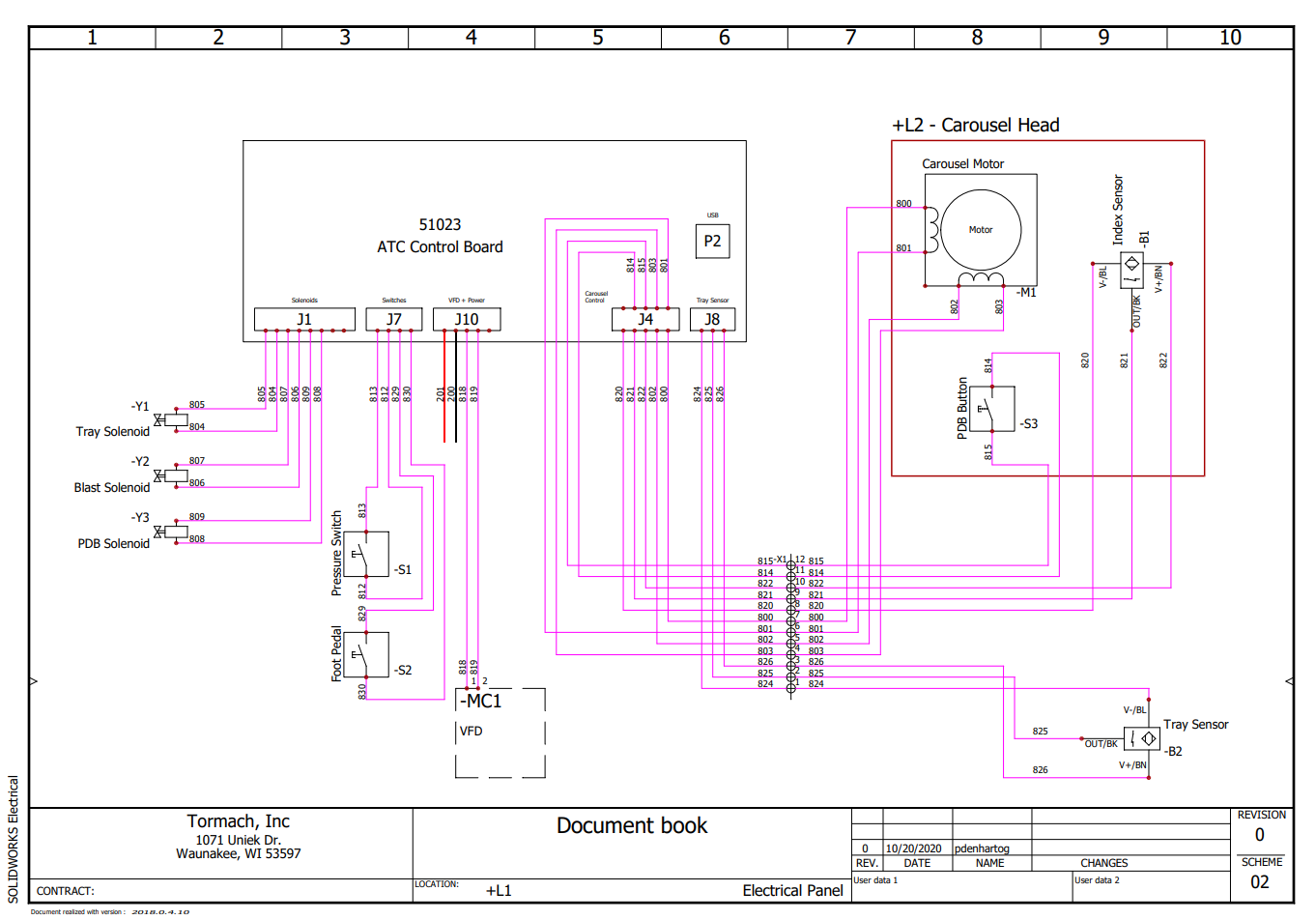
Automatic Tool Changer (ATC) Electrical - 1100MX
Breadcrumbs
Welcome to the 1100MX Knowledge Base!
Pneumatic and Electrical Schematics
On this Page
Automatic Tool Changer (ATC) Electrical - 1100MX