Power Drawbar Kit - 770M/1100M
Purpose
This document gives instructions on installing a 1100M/770M Power Drawbar.
Product Information
Product: 1100M/770M Power Drawbar Kit (PN 38436)
Quantity | Description |
1 | 1/4 in. Plastic Tube |
1 | 1/4 in. Push-to-Connect Air Fitting Adapter |
4 | Cable Tie, 4 in., Nylon, Black (PN 31719) |
1 | |
1 | Extend (Red) Air Line |
1 | |
1 | M10 × 16 mm Shoulder Screw (PN 35926) |
1 | Power Drawbar Button Assembly (PN 38216) |
1 | Power Drawbar Cylinder Assembly (PN 37750) |
1 | Quick-Release Pin (PN 37284) |
1 | Retract (White) Air Line |
8 |
NOTE: If any items are missing, we can help. Create a support ticket with Tormach Technical Support at tormach.com/how-to-submit-a-support-ticket for guidance on how to proceed.
Before You Begin
Required Tools
This procedure requires the following tools. Collect them before you begin.
Adjustable wrench (two)
Clean cloth
Electric drill
Hardware to install the FRL Filter-Regulator-Lubricator
Metric hex wrench set
Paint pen
Tooling to drill holes for the FRL Filter-Regulator-Lubricator
Air Requirements
You must verify that the site conforms to the following air supply requirements.
The Power Drawbar uses compressed air to release tools held in the spindle.
Air Pressure Between 90 psi and 120 psi (620 kPa to 825 kPa).
If the air supply is more than 120 psi (825 kPa), you must use a regulator.Air Volume For successive back-to-back tool changes, at least 2 cfm at 90 psi is required.
Exact air volume depends on the frequency of tool changes.Dry Air We recommend using a compressed air dryer, desiccator, or filter between the air compressor and the machine.
Lubricated Air You must lubricate the air with air tool oil.
Use the FRL Filter-Regulator-Lubricator (PN 32457) (included with the power drawbar kit) for this purpose.
Installation
NOTE: We're continuously improving our products, so your machine may vary from the photos in our documents and videos. For example, on newer machines, the pneumatic lines are mounted on the front of the Power Drawbar to prevent them from getting entangled or pinched in the spindle door. While the images may vary, the concepts still apply.
Prepare the Machine
If there's already a Tormach Tooling System (TTS) tool holder in the spindle, remove it.
Verify that you can access the inside of the spindle cabinet: jog the Z-axis down (-Z) until it is about 6 in. (15 cm) from the machine table.
Power off the machine and the PathPilot controller.
Push in the machine's red Emergency Stop button, which removes power to motion control.
From the PathPilot interface, select Exit.
Turn the Main Disconnect switch to OFF on the side of the electrical cabinet.
Disassemble the Original Drawbar
CAUTION! Loose Objects Hazard: The original drawbar contains spring-loaded hardware, which could quickly become loose, causing serious injury. Before disassembling the original drawbar, you must put on safety eyewear that meets ANSI Z87+.
Put on safety eyewear.
Open the spindle door.
While using one hand to support the Tormach Tooling System (TTS) collet, use the other to turn and remove the original drawbar.
Set the collet and the original drawbar aside.
While using one hand to hold the spindle lock arm, use the other to remove the spindle lock arm pivot screw with a 5 mm hex wrench.

Figure 1: Spindle lock arm pivot screw removed from the original drawbar assembly.
NOTE: The spindle lock arm assembly contains spring-loaded hardware, which could quickly become loose.
Carefully remove the spindle lock arm.

Figure 2: Spindle lock arm removed from the original drawbar assembly.
Remove the spindle lock base and its components with a 5 mm hex wrench.

Figure 3: Spindle lock base from the original drawbar assembly.
NOTE: Keep all components for future use. The original drawbar, drawbar bushing, and spindle lock are all required to operate the machine if you later decide to remove the Power Drawbar.
Wipe all exposed drawbar mounting surfaces inside the spindle motor cabinet with a clean cloth.
Remove the spindle lock arm on the spindle door.

Figure 4: Spindle lock arm on the spindle door.
Assemble the Power Drawbar
Find the drawbar that you set aside in "Disassemble the Original Drawbar" (page 5).
Remove the drawbar bushing from the drawbar, and set it aside.
Put Anti-Seize (provided) on the bottom of the drawbar head.
Find the eight spring washers provided.
Move one spring washer on the drawbar, with the convex side of the spring washer toward the drawbar head.

Figure 5: Convex side of the spring washer toward the drawbar head.
Move another spring washer on the drawbar, with the concave side of the spring washer toward the concave side of the spring washer from Step 5.

Figure 6: Concave sides of two spring washers together.
Put Anti-Seize on the edge of the contact surface between the pair of spring washers that you put on the drawbar in Steps 5 and 6.
Repeat Steps 5 through 7 for the remaining six spring washers. Make sure that you put Anti-Seize on the spring washers at every contact point.
Examine the stack of spring washers. Make sure that all eight spring washers are on the drawbar and arranged in four sets of opposing pairs.

Figure 7: All eight spring washers on the drawbar.
Find the drawbar bushing that you set aside in Step 2, and put it on the drawbar. Make sure that the smaller diameter of the drawbar bushing is toward the bottom of the drawbar.
Put Anti-Seize on the top of the drawbar bushing.
Put Anti-Seize on the bottom threads of the drawbar.

Figure 8: Locations to apply Anti-Seize on the drawbar assembly.
Put Anti-Seize on the outside taper of the Tormach Tooling System (TTS) collet. Make sure that there is no Anti-Seize on the inside of the collet.
Put the drawbar assembly into the spindle.
While using one hand to insert the collet into the spindle, use the other to turn the drawbar into the collet.

Figure 9: Drawbar assembly installed in the spindle motor cabinet.
Hand-tighten the drawbar.
While using one hand to insert an empty Tormach Tooling System (TTS) tool holder into the collet, use the other to tighten the collet into the drawbar with an adjustable wrench.
Use two large, adjustable wrenches to tighten the Power Drawbar until the spring washer stack is compressed to a height of 3/4 in. (20 mm).

Figure 10: Correctly compressed spring washer stack.
NOTE: Later in this procedure, after you complete the initial installation, you'll do a final drawbar tension adjustment. For more information, see "Adjust the Drawbar Tension" (page 15).
Find the Power Drawbar cylinder assembly provided.
Identify the Power Drawbar mounting surfaces inside of the spindle motor cabinet, as shown in the following image.

Figure 11: Power Drawbar mounting surfaces inside of the spindle motor cabinet.
Put the Power Drawbar cylinder assembly on the mounting surface.
Find the 10 mm shoulder screw provided, and then put Anti-Seize on its threads.
Install the 10 mm shoulder screw on the Power Drawbar cylinder’s mount plate with a 5 mm hex wrench.
NOTE: The head of the shoulder screw will protrude above the mounting plate when the thread of the shoulder screw is fully installed.
The unit, which floats by design, is now securely installed to the spindle head.

Figure 12: 10 mm shoulder screw installed on the Power Drawbar cylinder's mount plate.
Find the quick-release pin provided, and then insert it into the Power Drawbar cylinder’s mount plate.
The quick-release pin allows the Power Drawbar cylinder to pivot within the spindle motor cabinet.

Figure 13: Quick-release pin inserted into the Power Drawbar cylinder's mount plate.
Install the FRL
NOTE: We're continuously improving our products, so your machine may vary from the photos in our documents and videos. While the images may vary, the concepts still apply.
Clean the FRL to make sure that it's free of dust.
Remove and discard the plastic inserts from the FRL.
Identify the dial provided, and then put two layers of thread seal tape on its threads.
Attach the dial on the front of the FRL.
Identify the two push-to-connect elbows and the two NPT reducers provided. Connect the push-to-connect elbows to the NPT reducers.
Put two layers of thread seal tape on the threads of the NPT reducers.
Attach the NPT reducers to the valve housings on either side of the FRL.

Figure 14: FRL assembled.
Identify the two holes on the back of the column. This is the mounting location for the FRL.

Figure 15: FRL installed on the machine.
Install the FRL bracket on the machine with your own hardware.
Connect the air lines to the quick-connect bushings.
Set Up the FRL
Open the fill port on the FRL with a hex wrench.

Figure 16: Fill port on an FRL.
Fill the lubricator bowl with standard air tool oil with a small funnel. You must only use oil specifically designed for air tools.
Turn the adjustment knob halfway toward the +.
Flush all air bubbles from the system.
Examine the sight window for air bubbles. When there are no air bubbles in the sight window, and a drop of lubricant is on the bottom of the stem, turn the adjustment knob one-quarter turn back.

Figure 17: Components to flush the air from the FRL.
Close the fill port on the FRL with your hand.
NOTICE! Don't use a hex wrench to close the fill port. If you do, you could over-tighten it and break the plastic cap.
Make Air Connections
NOTE: If you have an (optional) Automatic Tool Changer (ATC), install it now.
Find the button box assembly provided.
Remove four M5 × 0.8 - 10 button head screws securing the cover to the button box with a 3 mm hex wrench. Then, remove the cover.
Install the button box base, standoffs, and button assembly on the mill head with two M4 × 0.7 - 50 socket head cap screws.

Figure 18: Button box base installed on the mill head.
Remove and discard the shipping plugs on the Power Drawbar.
Find the Retract (white) air line provided. Then, connect one end to the Retract port on the Power Drawbar button.

Figure 19: Power Drawbar air line routing.
Route the loose end of the Retract air line to the Power Drawbar cylinder, and then connect it to the lowest elbow fitting.

Figure 20: Retract fitting on the Power Drawbar cylinder.
Find the Extend (red) air line provided. Then, connect one end to the Extend port on the Power Drawbar button.
Route the loose end of the Extend air line to the Power Drawbar cylinder, and then connect it to the top tee fitting.

Figure 21: Extend fitting on the Power Drawbar cylinder.
Use the three cable ties to secure both air lines together.
Find the 1/4 in. plastic tube provided. Then, connect one end to the Air Supply push-to-connect elbow on the Power Drawbar button.
Route the loose end of the 1/4 in. plastic tube through the energy chain and toward the FRL

Figure 22: Air line routing through the energy chain.
Connect the 1/4 in. plastic tube to the Output port on the FRL.
Find the 1/4 in. plastic tube provided. Then, connect one end to the Input port on the FRL.
Put the 1/4 in. push-connect air fitting adapter on the loose end of the 1/4 in. plastic tube.
Route the 1/4 in. plastic tube to your shop's air supply and connect it with the adapter.
Replace the button box cover with a 3 mm hex wrench and the screws that you set aside in Step 2.
Adjust the Power Drawbar
After installing the Power Drawbar, you must adjust it.
NOTICE! After the initial installation, you must complete a final drawbar tension adjustment. For more information, see "Adjust the Drawbar Tension". If you don't complete a drawbar tension adjustment, there's a risk of tool pull-out.
Adjust the Drawbar Tension
This adjustment sets the highest possible drawbar tension while still allowing the Power Drawbar cylinder to release the tool. For information, see "About Drawbar Tension".
NOTICE! After the initial installation, you must examine the drawbar tension weekly. During periods of heavy use, examine the drawbar tension more frequently. If you don't, there's a risk of tool pull-out.
To adjust the drawbar tension:
Put an empty Tormach Tooling System (TTS) tool holder into the collet.
While using one hand to support the tool holder, use the other to push the Release Tool button.
Depending on whether the tool holder releases or not, do one of the following:
If the Tool Holder Releases Tighten the Power Drawbar in quarter-turn increments with two adjustable wrenches. After each turn, push the Release Tool button. Stop when the tool holder does not release. Then, loosen the Power Drawbar one quarter-turn with two adjustable wrenches.
If the Tool Holder Doesn't Release Loosen the Power Drawbar in quarter-turn increments with two adjustable wrenches while pushing the Release Tool button. Stop when the tool holder releases.
Make a visual reference to help you set or adjust the drawbar tension in the future: use a paint pen to make a witness mark on both the head of the drawbar and the end of the spindle.
About Drawbar Tension
While machining, the Tormach Tooling System (TTS) collet holds a Tormach Tooling System (TTS) tool holder in the spindle by applying a clamping force to both the shank and the shoulder of the tool. The tension force that is applied to the drawbar pulls the Tormach Tooling System (TTS) collet into the spindle taper, which then applies the clamping force to the Tormach Tooling System (TTS) tool.
The force on the drawbar — known as drawbar tension — is applied differently depending on the tool changing method:
Automatic (using the Power Drawbar) Tension is applied by the compressed spring washers.
Manual Tension is applied when you tighten the drawbar into the collet using a wrench.
Adjust the Initial Setup
In this adjustment, you'll verify that there's enough clearance between the end of the drawbar and the Power Drawbar cylinder.
NOTICE! If you don't do this adjustment, there's a risk that the drawbar can loosen, or that operations can be louder than normal.
Examine the space between the hex head screw on the Power Drawbar cylinder's rod and the top of the drawbar.

Figure 23: Correctly spaced drawbar and Power Drawbar cylinder.
Verify that the gap is between 3/64 in. and 1/8 in. (1 mm and 3 mm). Depending on the size of the gap, do one of the following:
Between 3/64 in. and 1/8 in. (1 mm and 3 mm) You have completed adjusting the initial setup. Go to "Operation".
Less Than 3/64 in. (1 mm) Go to Step 3.
Disconnect the shop's air supply from the Power Drawbar button.
Pull out the quick-release pin.
Pivot the Power Drawbar cylinder assembly to the left so that you can access the Power Drawbar cylinder's rod.

Figure 24: Power Drawbar cylinder pivoted to the left.
Remove the hex head screw on the Power Drawbar cylinder’s rod with an adjustable wrench, and set it aside.

Figure 25: Hex head screw on the Power Drawbar cylinder's rod.
Remove the M16 washer from the Power Drawbar cylinder’s rod, and set it aside.

Figure 26: M16 washer removed from the Power Drawbar cylinder's rod.
Put the hex head screw back in, and then tighten it completely with an adjustable wrench.
Pivot the Power Drawbar cylinder to the original location.
Push in the quick-release pin.
Reconnect the shop's air supply to the Power Drawbar button.
Examine the space between the hex head screw on the Power Drawbar cylinder’s rod and the top of the drawbar.
Verify that the gap is between 3/64 in. and 1/8 in. (1 mm and 3 mm). Depending on the size of the gap, do one of the following:
Between 3/64 in. and 1/8 in. (1 mm and 3 mm) You have completed adjusting the initial setup.
Less Than 1/8 in. (1 mm) Go to Step 14.
Find the three provided M14 flat washers.
Put one M14 flat washer under each mounting post on the Power Drawbar cylinder.
Operation
Change Tools With the Power Drawbar
WARNING! Ejection Hazard: If a tool is released from a turning spindle, it can become a dangerous projectile, causing death or serious injury. You must wait until the spindle is completely stopped before pressing the Release Tool button. Never press the Release Tool button while the spindle is turning.
While using one hand to support the Tormach Tooling System (TTS) tool holder in the spindle, use the other to press and hold the Release Tool button.
The Power Drawbar activates and releases the tool holder in the spindle. Remove the tool from the spindle.
CAUTION! Pinch Hazard: If your fingers are in the Tormach Tooling System (TTS) collet as it closes, it can crush or pinch your fingers. You must keep your fingers clear of the Tormach Tooling System (TTS) collet while you're changing tools. Never put your fingers into an unclamped Tormach Tooling System (TTS) collet.
Put a new tool holder into the spindle.
Let go of the Release Tool button.
The Power Drawbar reverts to clamp mode and secures the tool in the spindle.
Power Drawbar Best Practices
Tool Holding Force
The Power Drawbar is designed to provide more than sufficient tool holding force to resist regular cutting loads. Machining practices outside of these situations may result in tool holder pull-out.
While operating the machine, avoid the following conditions:
High chatter machining
High cutter engagement (chip load) combined with high helix angle cutter geometries
Clamp Mode
The Power Drawbar is in clamp mode when a tool is secured in the spindle.
While in clamp mode, make sure that there's always a tool in the collet. The collet will eventually wear if you retract the Power Drawbar to clamp mode with no tool, and could shorten its service life.
NOTE: In the event of an air pressure loss, the power drawbar reverts to clamp mode.
Maintenance
Examine Air Pressure
Appropriate air supply helps with smooth actuation, and prevents premature component failure.
Examine the air to the Power Drawbar to make sure that it's:
Between 90 psi and 120 psi (620 kPa to 825 kPa)
Been lubricated with common air tool oil
Lubricate the Power Drawbar
Every 5000 cycles (or six months — whichever comes first), use Anti-Seize to lubricate the following parts on the Power Drawbar:
Contact surfaces between spring washers
Eccentric pivot mount
Top of the drawbar (below the drawbar flange and the spring washers)
Examine Wear Items
Regularly examine the following wear items:
Spring Washers Inspect all spring washers once a month for cracks. If they're damaged, immediately replace them with Power Drawbar Spring Washer (PN 31319).
Tormach Tooling System (TTS) Collet and Drawbar Using the Power Drawbar may cause these items to wear faster than with a manual drawbar. Inspect them regularly, and immediately replace any damaged items with the following:
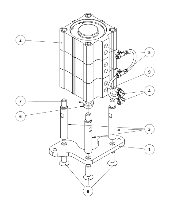
Diagrams and Parts Lists
TTS Power Drawbar Cylinder Exploded View

TTS Power Drawbar Cylinder Assembly Parts List
ID | Description | Quantity |
1 | Power Drawbar Mount Plate (PN 37747) | 1 |
2 | Pneumatic Cylinder, Double Acting, 100 mm Bore, 12 mm Stroke, 3-Stack (PN 31313) | 1 |
3 | Power Drawbar Standoff, M14 × 2 (PN 38282) | 3 |
4 | 2 | |
5 | 2 | |
6 | Screw, Hex Head Cap, M16 × 1.5 - 25 (PN 31322) | 1 |
7 | Washer, Flat, M16 (PN 31445) | 1 |
8 | Screw, Flat-Head Cap, M14 × 2 - 40 (PN 38285) | 3 |
9 | Tube, 1/4 in. OD, Plastic (Red) - 125 mm (PN 38408) | 2 |
Power Drawbar Push Button Exploded View

Power Drawbar Push Button Parts List
ID | Description | Quantity |
1 | Power Drawbar Push Button Base (PN 38217) | 1 |
2 | Power Drawbar Push Button Cover (PN 38218) | 1 |
3 | Push Button Air Valve (4-Way, 5-Port) (PN 37295) | 1 |
4 | Fitting, Male Connector, 1/4 NPT to 1/4 in. PTC (PN 32212) | 2 |
5 | 1 | |
6 | Fitting, Muffler (Flat), 1/8 NPT (PN 37297) | 2 |
7 | Screw, Button Head Cap (Flanged), M5 × 0.8 - 10, Stainless Steel (PN 38205) | 4 |
8 | Screw, Socket Head Cap, M4 × 0.7 - 50 (PN 38220) | 2 |
9 | Power Drawbar Push Button Spacer (PN 38219) | 2 |
10 | Decal, Power Drawbar, Release Tool (PN 37340) | 1 |
To view a PDF version of your manual, go to Tormach document TD10541.
If you have additional questions, we can help. Create a support ticket with Tormach Technical Support at tormach.com/how-to-submit-a-support-ticket for guidance on how to proceed.