1100MX Knowledge Base
Breadcrumbs

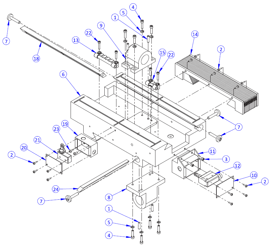
Y-Axis Saddle - 1100MX

image-20251203-164403.png

Description

Alternative Part Number

Quantity

1

6 - 25 Taper Pin (PN 30439)

4

2

Screw, Pan Head Machine, M4 × 0.7 - 12

McMaster-Carr: 92005A222

14

3

Screw, Socket Head Cap, M5 × 0.8 - 20

McMaster-Carr: 91290A242

2

4

Screw, Socket Head Cap, M6 × 1 - 25

McMaster-Carr: 91290A330

8

5

M6 Lock Washer

McMaster-Carr: 91169A180

8

6

1100 Y-Axis Saddle*

1

7

Gib Adjustment Screw for 1100 (PN 30412)

4

8

Y-Axis Ball Nut Carrier (PN 30453)

1

9

X-Axis Ball Nut Carrier (PN 30441)

1

10

Y-Axis Limit Switch Cover Plate*

1

11

Y-Axis Limit Switch Housing (PN 30452)

1

12

Y-Axis Limit Switch (PN 30461)

1

13

5-Port Manifold (PN 33955)

1

14

Y-Axis Way Cover, 1100 (PN 30578)

1

15

Lubrication System, 2-Port Manifold (PN 33954)

1

16

1100 X-Axis Ball Screw1

1

17

1100 X-Y Ball Nut1

1

18

X-Axis Gib (PN 30443)

1

19

X-Axis Limit Switch Housing (PN 31211)

1

20

X-Axis Limit Switch Cover Plate (PN 31210)

1

21

X-/Z-Axis Limit Switch (PN 31860)

1

22

Screw, Socket Head Cap, M5 × 0.8 - 25

McMaster-Carr: 91290A252

4

23

Screw, Pan Head Machine, M5 × 0.8 - 10

McMaster-Carr: 92095A182

2

24

Y-Axis Gib (PN 30413)

1

1 Purchased as assembly PN 30483

*For part availability, please contact Tormach Technical Support

To order part numbers not listed on http://Tormach.com, email orders@tormach.com!