All Axes Won't Move When Commanded - 8L
Background
Your machine axes require power and control signals to work. If either of those are disrupted you can lose any or all of your axes motion. If only one motor is not working go to, One Axis Won't Move (or Only Moves in One Direction), and Other Axes Move - 8L.
Tools
Digital multimeter
Metric Allen Keys
Small Flat Blade Screw Driver
Reseat the connectors on the machine control board and motors
Reason: Control signals aren't reaching the electronic driver modules/servo motors.
Inspect the stepper driver controller lights.
Some lights are on: One Axis Won't Move (or Only Moves in One Direction), and Other Axes Move - 8L.
All the lights are off: Continue to the next step.
Power off the machine.
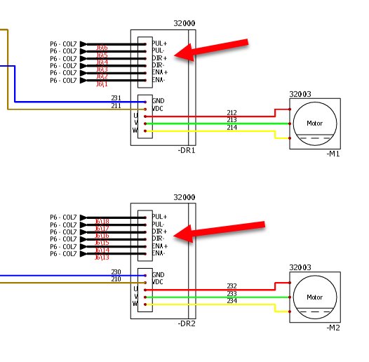
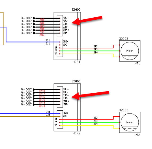
Examine the data cables at the machine control board and the servos/motor removing then re-connecting them to ensure they are seated.
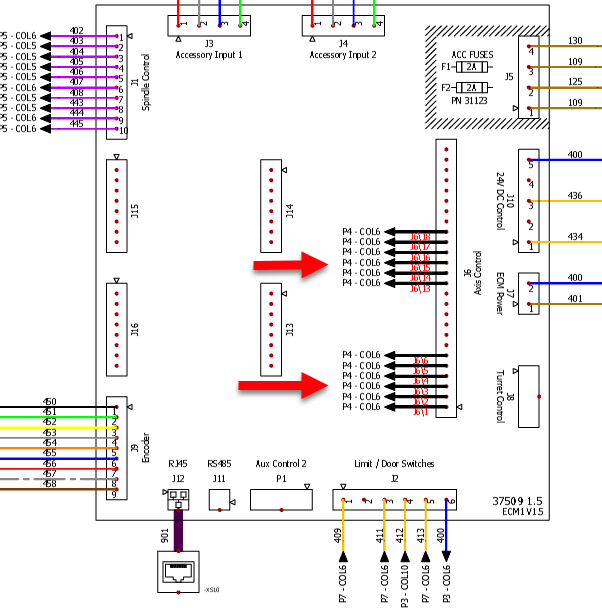
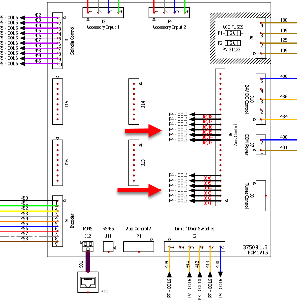
Machine control board: J6 (26 pin IDC ribbon cable)
Stepper driver controller: 10 pin IDC (ribbon cable)

8L Stepper Drivers

8L ECM Board
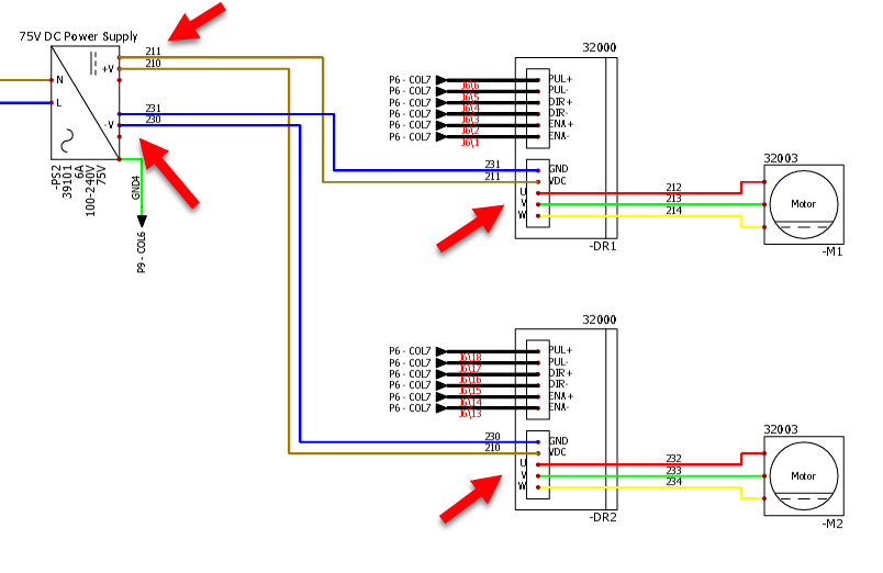
Examine the power cables at the DC Power supply and the servos/motor removing then re-connecting them to ensure they are seated.
DC Power Supply:
210/211 (X-axis)
230/231 (Z-axis)
Stepper: Degson style
210, 211, 212, 213, and 214 (X-axis)
230, 231, 232, 233, and 234 (Z-axis)

8L Stepper and Motor Power
Continue to the next troubleshooting topic.
Inspect the DC power supply
Reason: The DC-BUS or DC power supply is malfunctioning.
Inspect the DC power supply for power by determining if the green power light is illuminated.
If it does: The stepper driver controllers will be illuminated.
If it doesn’t: Continue to the next step.
Ensure the machine is powered on the machine and measure the Vac entering the DC power supply on:
112/N (N)
115 (L)
If there is no power to the DC Power Supply, see: Machine Won't Power On - 8L | Reset-the-CB1-and/or-CB2-circuit-breaker

8L DC Power Supply Incoming Power
Continue to the next troubleshooting topic.
Inspect the Controller and Machine Communication
Reason: PathPilot isn’t commanding the move, there is a cable problem, or a controller problem.
Power on the machine and take it out of reset.
Verify that the selected machine configuration in the bottom right corner of PathPilot is correct.
Select the Main tab, then, on the keyboard, press the Esc key.
Jog the axes and, from the PathPilot interface, examine the value displayed in their DRO fields.
If the position doesn't change in the DRO: There's a problem with the controller.
If the position changes in the DRO: There is a communication or hardware issue.
Continue to the next troubleshooting topic.
Check the K1 Contactor
Reason: The K1 is defective.
Power on the machine and take it out of reset.
Inspect the K1 center bar.
If the bar is in: The K1 is latched. Using a digital multimeter set to Vac, measure for 120 Vac between:
114N
115
If the bar is not in: Continue to the next step.

Press and hold the Reset button on the operator box and observe the K1 bar. Then release the Reset button and observe the K1 bar.
If the bar only stays in when the button is pressed: There is a loose coil wire, short, or the K1 has malfunctioned.
If the bar never comes in: See Machine Won't Power On - 8L