Background
Your machine axes require power and control signals to work. If either of those are disrupted you can lose any or all of your axes motion. If only one motor is not working go to, One Axis Won't Move (or Only Moves in One Direction), and Other Axes Move - 1500MX
 
  
  
 Examine the Servo Drives
Reason: The servo drive has an error present.
- 
  Examine the Servo Drives in the electrical cabinet for an error code. 
- 
  Power cycle the machine to see if the error reappears. 
- 
  If so, contact Technical Support . 
 
  
 
  
  
 Check Cable Seating
Reason: Control Signals aren’t reaching the servo motors.
- 
  Power off the machine (See Verify the Installation ). 
- 
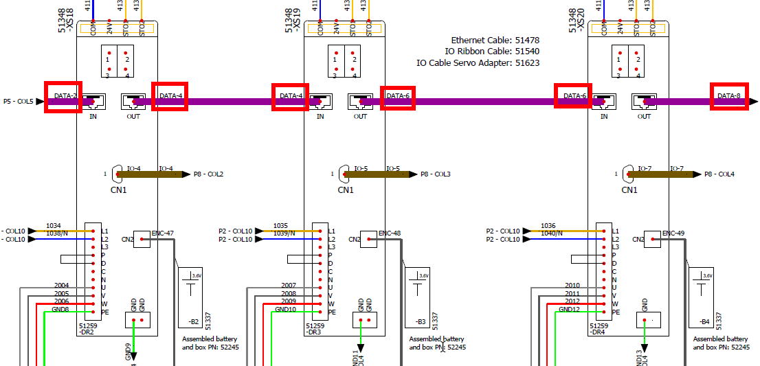
  Examine the EtherCAT connectors at each servo drive. All servo drives must be connected for the machine to function. Verify that the connectors are firmly seated, and examine the connectors for loose or damaged pins. 
- 
  Examine the DATA-12, DATA-2, DATA-4, DATA-6, and optional DATA-8 and DATA-10 cables connecting the servo drives. Also examine the Ethernet cable connecting the ETH1 Machine Control Connector to the PathPilot controller. 
 
    
    
    
     
   
  
 
     
 
  
  
 Verify Controller Function
Reason: PathPilot isn’t commanding the move, or there’s a controller problem.
- 
  Jog the axes and, from the PathPilot interface, examine the value displayed in their DRO fields. If the position doesn’t change while you’re jogging, there’s a problem with the controller. 
- 
  Select the Main tab, then, on the keyboard, select the ESC key. 
- 
  Try to jog the axes again, and examine the value displayed in their DRO fields. 
- 
  If the problem persists, restart the controller. 
