Machine Won't Power On - 1500MX
Background
The idea of providing power to your machine seems simple: just plug it in. In reality, there are a number of other components used in order to provide power appropriately safety for you and the machine, including (but not limited to):
The main disconnect switch
Fuses and/or circuit breakers
Emergency stop switch/button
Separate latching circuits for the spindle and rest of the machine
Transformers, which change the electricity to the appropriate value
Even with all of these components, you can systematically locate nearly any problem with just a multimeter.
Tools
Digital multimeter
Reseat the NEMA L6-30 Plug Into an Outlet
Reason: The machine plug isn’t plugged in to an outlet.
Verify that the main power plug is plugged into a known working outlet.
If needed, measure for 208-240 Vac between wires 1001 and 1002/N at the DISC1 Main Disconnect.

Wires 1001 - 1002/N

Main Disconnect (DISC1) Location
Reset Facility’s Breaker for Machine Circuit
Reason: The facility’s mains breaker is tripped.
Examine power cable for damage or exposed wires, and then reset your facility’s circuit breaker serving the machine.
If needed, measure for 208-240 Vac between wires 1001 and 1002/N at the DISC1 Main Disconnect. (See images above)
Reset the CB1 Circuit Breaker In the Machine
Reason: The CB1 breaker is tripped.
If the mill, controller, accessories, and enclosure lights don’t have power, examine the power cords and wires for damaged or exposed wires, and then reset the CB1 circuit breaker.
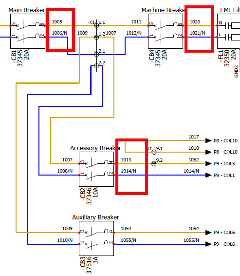
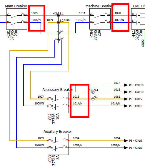
If needed, measure for 208-240 Vac between wires 1005 and 1006/N at the CB1 circuit breaker.

Wires 1005 - 1006/N

CB1 Location
Check the Position of the Main Disconnect Switch
Reason: The Main Disconnect switch is in the OFF position.
Switch DISC1 Main Disconnect to the ON position.
If needed, measure for 208-240 Vac between wires 1003 and 1004/N at the DISC1 Main Disconnect.

Wires 1003 - 1004/N

Main Disconnect (DISC1) Location
Verify the Machine is Out of Emergency Stop Condition
Reason: The Emergency Stop is pushed in.
Twist out the Emergency Stop button and press the Reset button.
Check the DC Power Supply
Reason: The DC power supply is defective.
Check if Electrical Cabinet Fan (FAN1) and Spindle Motor Fan (FAN2) are running.
Check for DC OK LED on the PS1 DC power supply.
Check for Control Power (D37) LED on E1 Servo IO Breakout Board.
Measure for 208 Vac-240 Vac between wires 1032 and 1033/N at the PS1
DC power supply.Measure for 24 Vdc nominal between wires 4001 and 4002 at the PS1 DC
power supply.

Wire 1032 - 1033/N and 4001 - 4002 Location

Electrical Cabinet Fan (FAN1)

Spindle Motor Fan (FAN2) Location

DC Power Supply (PS1) Location

Servo IO Breakout Board (E1) Location
Adjust the DC Power Supply PS1 Output Voltage
Reason: The DC power supply PS1 output voltage is too low.
Check if Electrical Cabinet Fan (FAN1) and Spindle Motor Fan (FAN2) are running. (See images above)
Check for DC OK LED on PS1 DC power supply. (See images above)
Measure for 208-240 Vac between wires 1032 and 1033/N at the PS1 DC power supply. (See images above)
Measure for 24 Vdc nominal between wires 4001 and 4002 at the PS1 DC power supply. (See images above)
If output voltage is less than 24 Vdc, adjust the output voltage using the +V ADJ trim potentiometer on the front of the PS1 DC power supply.
Reset Machine Circuit Breakers
Reason: The CB1, CB2, or CB4 circuit breaker tripped.
Examine the power cords and wires for damaged or exposed wires, and then reset the circuit breaker.
If needed, measure for 208-240 Vac between wires 1005 and 1006/N at the CB1 circuit breaker, between wires 1013 and 1014/N at the CB2 circuit breaker, and between wires 1020 and 1021/N at the CB4 circuit breaker.

Breaker Output Wire Locations

Circuit Breaker Locations